Now showing circuits 21-40 of 54. Sort by

sample and hold

sample and hold PUBLIC

Using back to back MOSFETs to make a sample and hold. signality.co.uk

by signality | updated December 05, 2013

mosfet   sample-and-hold  

snap-down

snap-down PUBLIC

by bendrevniok | updated November 28, 2013

capacitive-load   mosfet   piezo   stick-slip  

3.3v <> 12 v mosfet driver with opto-coupler

3.3v <> 12 v mosfet driver with opto-coupler PUBLIC

12V solenoid driver - works for fuel injectors or Idle Control Valve

by russian | updated June 21, 2013

automotive   ecu   mosfet  

Basic (CMOS) Inverter

Basic (CMOS) Inverter PUBLIC

MOSFET (CMOS) inverter

by ACDC | updated June 19, 2013

basic   digital   inverter   mosfet   transistor  

Dimmable Joule Thief Buck circuit with MOSFet

Dimmable Joule Thief Buck circuit with MOSFet PUBLIC

A quick and easy circuit to control a 10v 200mA LED array using a 2N7000 MOSFET. Dimming is done through R2.

by qs | updated May 09, 2013

2n7000   buck   joule-thief   mosfet  

Rear Bike Light

Rear Bike Light PUBLIC

Schematic for my Rear Bike Light, using 2 High power LEDs and an embedded ATmega328p with the Arduino boot loader to control the LEDs via PWM thru two N-channel MOSFET current sinks. It's also...

by rainierez | updated April 19, 2013

arduino   ftdi   high-power-led   led-driver   mosfet   pwm  

P_CH_I_REG

P_CH_I_REG PUBLIC

Current regulator based on P-Channel MOSFET. Adjust R1 to change current - voltage drop should equal Q2's V-EB threshold.

by DennisT1 | updated April 01, 2013

current-regulator   linear   mosfet   p-channel  

Two Stage MOSFET Amplifier

Two Stage MOSFET Amplifier PUBLIC

by mlew | updated February 23, 2013

darlington-bjt   fuse   mosfet   op-amp   transformer  

MOSFET logic gate counter-example

MOSFET logic gate counter-example PUBLIC

a messy demonstration to show that swapping the PDN and PUN while inverting the output is not equivalent to the original circuit

by stashcraft | updated February 07, 2013

cmos   digital   logic-gate   mosfet  

Electronics S2L1

Electronics S2L1 PUBLIC

Basic MOSFET CS amp.

by stashcraft | updated January 15, 2013

amplifier   lab   mosfet  

LED 3x3x3 Cube

LED 3x3x3 Cube PUBLIC

This is a LED 3x3x3 cube circuit. The LED's Cathodes are soldered together in 3 rows, and the anodes are soldered 3 high in 9 columns. This particular cube will be connected to an arduino. 3 NPN...

by dan89156108 | updated January 05, 2013

3x3x3   arduino   cube   led   mosfet   npn  

PC Keyboard multiple key press (MSM)

PC Keyboard multiple key press (MSM) PUBLIC

This circuit provides a single pulse output at each transition of the switch operation after activating SHIFT and/or CTL.

by Didactech | updated December 07, 2012

555   mosfet   pc-interfacing  

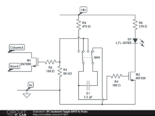
PC keyboard Toggle DPST to Pulse (SSM)

PC keyboard Toggle DPST to Pulse (SSM) PUBLIC

This circuit provides a single pulse output at each transition of the switch operation.

by Didactech | updated December 06, 2012

mosfet   pc-interfacing  

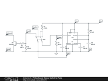
PC Keyboard Rotary Switch to Pulse (RSM)

PC Keyboard Rotary Switch to Pulse (RSM) PUBLIC

This circuit provides a single pulse output at each transition of the switch operation.

by Didactech | updated December 06, 2012

555   mosfet   pc-interfacing  

MOSFET Regulator

MOSFET Regulator PUBLIC

Zero drop out FET regulator with lead resistance compensation ("negative resistance"). Working simulation.

by paulmz | updated October 17, 2012

mosfet   simulation   voltage-regulator  

IRF7319

IRF7319 PUBLIC

by FVS | updated October 17, 2012

bridge-rectifier   irf7319   mosfet   rectifier  

Motor Driver using MOSFETs

Motor Driver using MOSFETs PUBLIC

A high power motor driver using two p-channel and two n-channel MOSFET transistors capable of driving up to 33 Amperes at a maximum of 60 Volts.

by banerjen | updated September 30, 2012

irf530   irf9530   mosfet   motor-driver   motor-driver-mosfet  

MOSFET Switch

MOSFET Switch PUBLIC

by pcbolt | updated September 26, 2012

mosfet  

MOSFET's_driver_3

MOSFET's_driver_3 PUBLIC

by assimg | updated September 14, 2012

driver   mosfet  

MOSFET's_driver_2

MOSFET's_driver_2 PUBLIC

by assimg | updated September 14, 2012

driver   mosfet  

More tags

555   7805   ac-to-dc   active-filter   amplifier   analog   and   anode   attenuator   atx   audio   automotive   band-reject   bandgap   behavioral   bias-point   bjt   bode   bridge-rectifier   button   calculator   cascaded-filters   cascode   cathode   cmos   colpitts   compensation   constant-current-source   current-limiting   current-mirror   current-monitor   current-regulator   dac   dc-to-ac   device-modeling   differential   differentiator   digital   diode   divider   emitter-follower   feedback   filter   flyback   flyback-diode   frequency-domain   full-wave   guitar   ham-radio   high-pass   high-speed   high-voltage   hv   hysteresis   ic   ignition-coil   induction   inductive   inductive-load   initial-conditions   instrumentation-amplifier   integrator   inverting   jfet   laplace   led   led-array   level-shift   lighting   lipo   lm317   load-cell   logic-gate   low-pass   mechanical   microcontroller   microphone   mosfet   motor   multivibrator   non-inverting   nonlinear   nor   notch   ohms-law   op-amp   optical   or   oscillator   parallel   passive   passive-filter   pcb-design   phase-shift   photodiode   photoresistor   phototransistor   piezo   plants   potentiometer   power   power-supply   power-supply-unit   preamp   pull-down   pull-up   pwm   rc   relaxation-oscillator   relay   resistor-ladder   resonance   rf   rlc   rom   saturation   schmitt-trigger   sensor   series   servo-motor   signal   spark-plug   stability   stepper   summing   superposition   switching   time-constant   transformer   transistor   translinear   twin-t   voltage-divider   voltage-regulator   waveform-arithmetic   wiring   xnor   xor   zener-diode   zero-voltage-switching  

About CircuitLab

CircuitLab is an in-browser schematic capture and circuit simulation software tool to help you rapidly design and analyze analog and digital electronics systems.