Created by
Created December 07, 2012
Last modified December 07, 2012
Tags 555   mosfet   pc-interfacing  

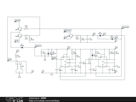
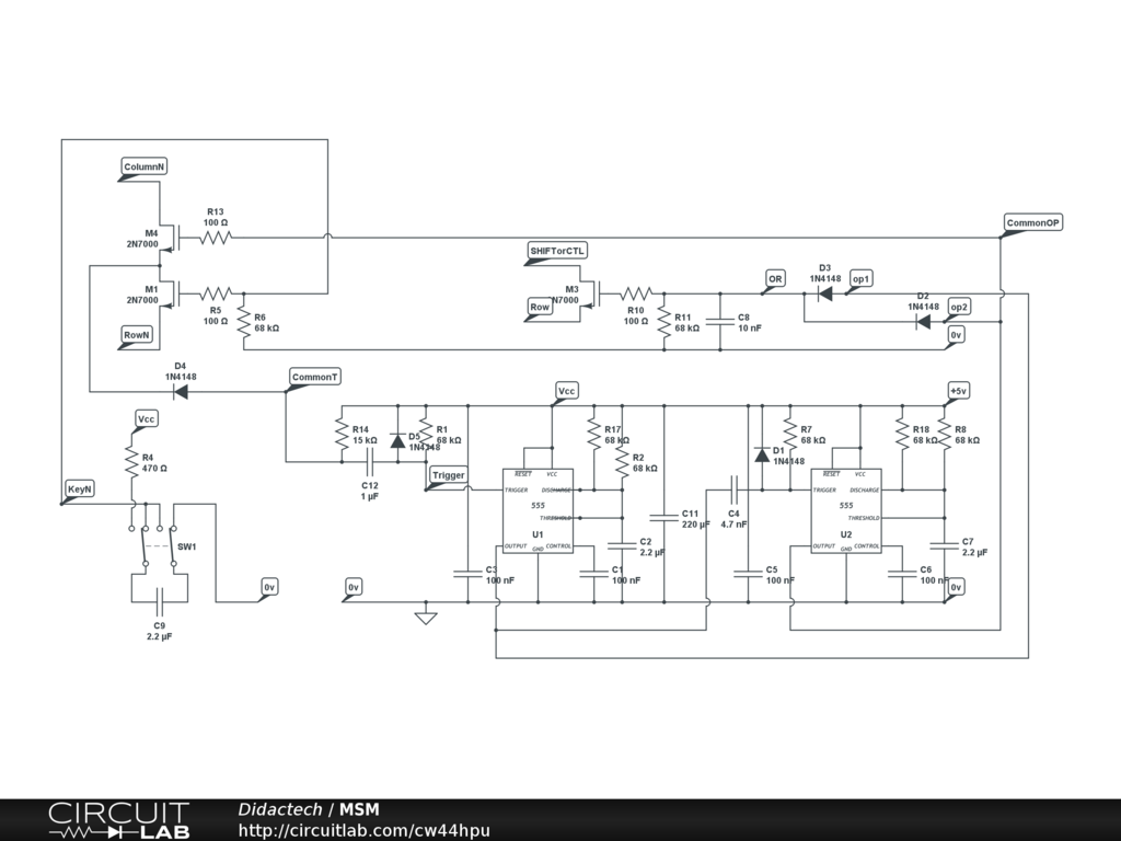
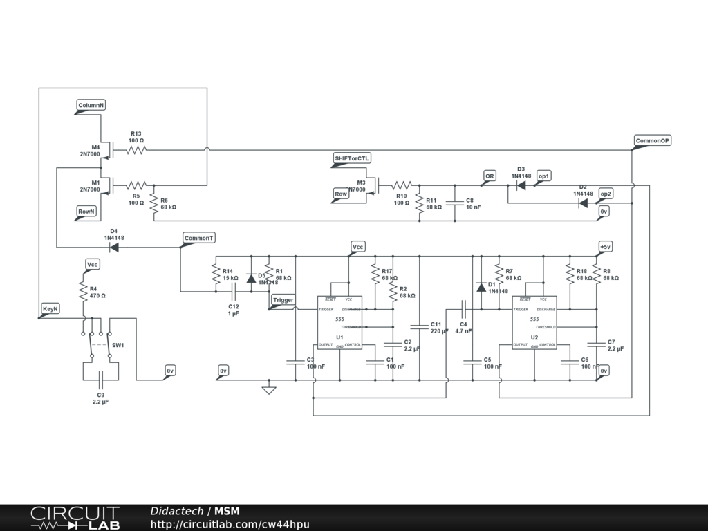
Summary

This circuit provides a single pulse output at each transition of the switch operation after activating SHIFT and/or CTL.


Description

To simulate multiple key hold on a PC Keyboard encoder like 'Shifted' characters or 'Control' characters the SHIFT and/or CTL key must be selected before the required key. This circuit uses a 555 Timer to activate a MOSFET switch when triggered by a physical switch and the falling edge triggers the next 555 Timer to activate the required key press via the upper MOSFET: The two outputs are diode 'ORed' to maintain the SHIFT/CTL key press for the total period.

Note: When the Encoder sees either of SHIFT or CTL it waits for a character before composing and sending a key sequence. SHIFT and CTL are on different keyboard scans so can both be held at the same time but must occur before a character key.


Comments

No comments yet. Be the first!

Leave a Comment

Please sign in or create an account to comment.

Revision History

Only the circuit's creator can access stored revision history.