Now showing circuits 1-1 of 1. Sort by
|
|
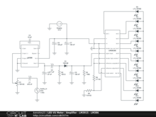
LED VU Meter / Amplifier - LM3915 - LM386 PUBLICA Voice Unit (VU) LED Meter made with an amplifier stage using LM386 and LM3915 IC chips. by kenshin23 | updated October 06, 2013 |
CircuitLab is an in-browser schematic capture and circuit simulation software tool to help you rapidly design and analyze analog and digital electronics systems.