Now showing circuits 1-1 of 1. Sort by

SMPS1

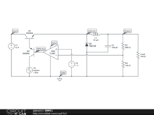
SMPS1 PUBLIC

A basic switching mode power supply designed based on Dave Jones' EEVblog#90 at https://www.youtube.com/watch?v=cM7t1Mpu7s4 Please feel free to add comments on improvements I should make.

by alphaOri | updated November 17, 2012

power-supply   switching-mode  

More tags

555   7805   ac-to-dc   active-filter   amplifier   analog   and   anode   attenuator   atx   audio   automotive   band-reject   bandgap   behavioral   bias-point   bjt   bode   bridge-rectifier   button   calculator   cascaded-filters   cascode   cathode   cmos   colpitts   compensation   constant-current-source   current-limiting   current-mirror   current-monitor   current-regulator   dac   dc-to-ac   device-modeling   differential   differentiator   digital   diode   divider   emitter-follower   feedback   filter   flyback   flyback-diode   frequency-domain   full-wave   guitar   ham-radio   high-pass   high-speed   high-voltage   hv   hysteresis   ic   ignition-coil   induction   inductive   inductive-load   initial-conditions   instrumentation-amplifier   integrator   inverting   jfet   laplace   led   led-array   level-shift   lighting   lipo   lm317   load-cell   logic-gate   low-pass   mechanical   microcontroller   microphone   mosfet   motor   multivibrator   non-inverting   nonlinear   nor   notch   ohms-law   op-amp   optical   or   oscillator   parallel   passive   passive-filter   pcb-design   phase-shift   photodiode   photoresistor   phototransistor   piezo   plants   potentiometer   power   power-supply   power-supply-unit   preamp   pull-down   pull-up   pwm   rc   relaxation-oscillator   relay   resistor-ladder   resonance   rf   rlc   rom   saturation   schmitt-trigger   sensor   series   servo-motor   signal   spark-plug   stability   stepper   summing   superposition   switching   time-constant   transformer   transistor   translinear   twin-t   voltage-divider   voltage-regulator   waveform-arithmetic   wiring   xnor   xor   zener-diode   zero-voltage-switching  

About CircuitLab

CircuitLab is an in-browser schematic capture and circuit simulation software tool to help you rapidly design and analyze analog and digital electronics systems.