How the Circuit Works?

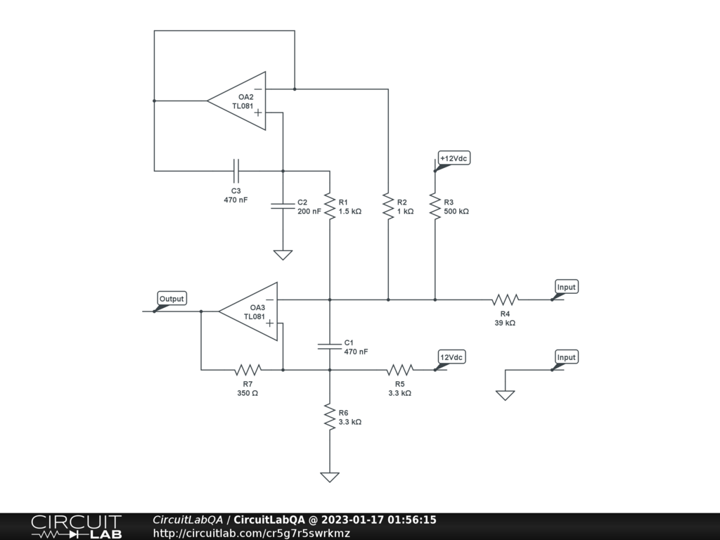
Please help me to understand the schematic. 1) When there is change in resistance across the two input terminals. What will be the output.? 2) What are the two different OPAMP work as?

by Prasad22
January 17, 2023

Some "strange things".

One of the inputs is connected to ground, it would be a short unless the input is also grounded.

Replace the two nodes about 12V by a battery of 12 Volt, with the other extremity of these batteries also grounded ... at least, I assume that is what it implies..

The second input, the one not grounded, is DC connected to the 12V, that may hurt whatever produces the "input", surely if that input is at a low voltage with a low impedance...That may produce a high current that the "input" device cannot handle.

Run the DC simulation once you added the 12V batteries, leaving the second input floating. Examine the voltage at the opAmp inputs. We obviously need to know about the ungrounded input..

by vanderghast
January 17, 2023

The data I received tells me that this schematic act as water Sensor. Two Inputs are nothing but the two electrodes which are dipped into water. Based upon media either air or water, resistance across the two terminals changes & OPAMP gives Output either HIGH or LOW. Does anyone know use of 1st OPAMP i.e., on the top of Schematic. How does it work?

by Prasad22
January 17, 2023

No Answers

No answers yet. Contribute your answer below!


Your Answer

You must log in or create an account (free!) to answer a question.

Log in Create an account


Go Ad-Free. Activate your CircuitLab membership. No more ads. Save unlimited circuits. Run unlimited simulations.

Search Questions & Answers


Ask a Question

Anyone can ask a question.

Did you already search (see above) to see if a similar question has already been answered? If you can't find the answer, you may ask a question.


About This Site

CircuitLab's Q&A site is a FREE questions and answers forum for electronics and electrical engineering students, hobbyists, and professionals.

We encourage you to use our built-in schematic & simulation software to add more detail to your questions and answers.

Acceptable Questions:

  • Concept or theory questions
  • Practical engineering questions
  • “Homework” questions
  • Software/hardware intersection
  • Best practices
  • Design choices & component selection
  • Troubleshooting

Unacceptable Questions:

  • Non-English language content
  • Non-question discussion
  • Non-electronics questions
  • Vendor-specific topics
  • Pure software questions
  • CircuitLab software support

Please respect that there are both seasoned experts and total newbies here: please be nice, be constructive, and be specific!

About CircuitLab

CircuitLab is an in-browser schematic capture and circuit simulation software tool to help you rapidly design and analyze analog and digital electronics systems.