Simulator or circuitry flaw?

I created this https://www.circuitlab.com/circuit/r2kea4/verstarker/ circuit.

But simulating creates a weird pattern. Is this really the output or just some flaw in the simulator?

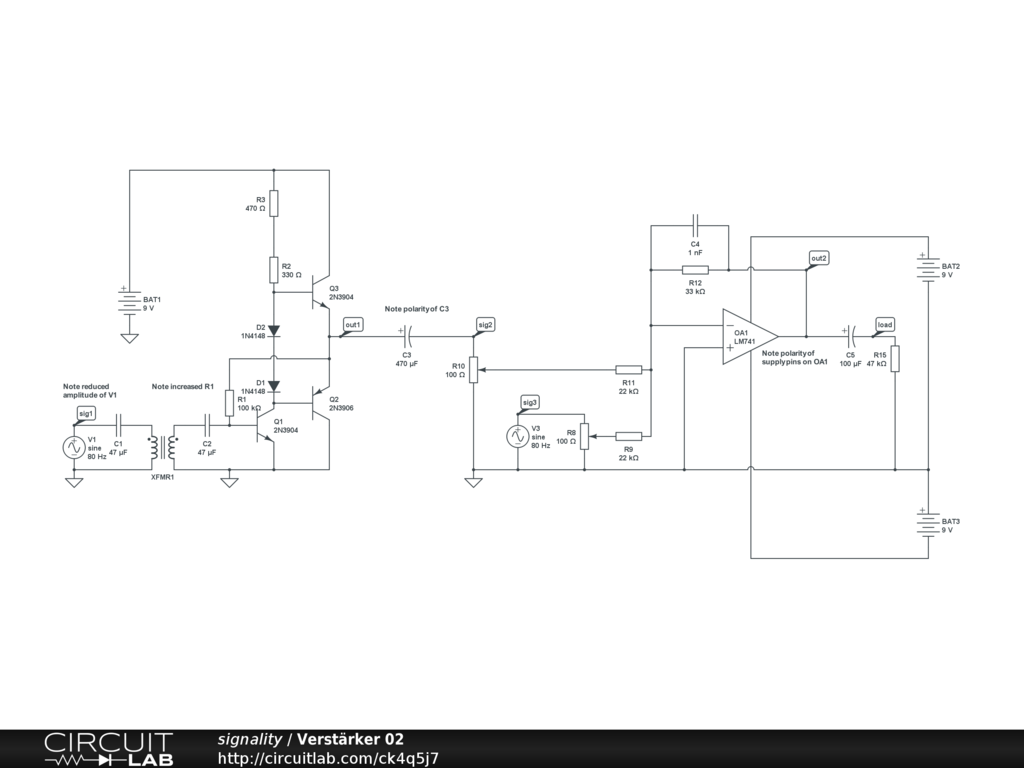
What you see is an amplifier on the left side and a signal mixer on the right side. So the result of the first amplifier acts as second source. Measurement is taken at R15.

by Kondensator
October 11, 2012

Sorry but it is difficult to decide if the output of the simulation is realistic or not because it is not clear what your circuit is supposed to be doing.

The way the +9V supply is connected through R10 to the base bias and collector load resistors R2 & R3 looks strange.

C3 is connected in such a way that it is providing a bootstrap to the top end of R2 & R3 as well as providing the signal output to the 2nd stage amplifier.

The 2nd stage amplifier appears to be connected completely wrong.

The output of OA1 is connected directly back to the non-inverting input through C5 and R15.

It looks as though you intend the non-inverting input of OA1 to function as a virtual ground. However, it is not clear that this is how it will function.

The supply to OA1 is floating: there is no ground reference.

It is unlikely that the circuit around OA1 will function as an amplifier.

It is therefore unlikely that the results of a simulation will look anything like what you may be expecting.

I suggest you have another think about what you are trying to achieve.

Then write a short description of what you want the circuit to do and what you would expect to see at various points around the circuit.

Next, redraw the circuit paying close attention to signal paths and signal and supply grounding.

It may be advisable to ground the lower side of V1 to make life easier for the simulator solver.

You may also need to use shorter time steps.

by signality
October 12, 2012

Is this what you are trying to do?

by signality
October 12, 2012

I want to tell you what I want to do. I have this voltage source(the audio for the speaker of my telephone's handset) of 77mV and connected to it is the 1:6 or 6:1 audio transformer for safety reasons as I was told. I want the signal that comes out of it to be mixed with another signal from another source(audio output from my computer's headphones socket). I want the volume to be even and at the same time amplified to about 2.5 Volts(5 Volts Vpp) to be fed to my headphones which have a max of 3V allowed voltage and whose resistances are 90 Ohms for the left and 103 Ohms for the right channel. I would like to use a single 9V battery as power supply. That is so far my requirement; I have no requirements towards what the circuit should look like. If an opamp is used I prefer one of LM358, LM393, 741CN or LM2901N to be used as I have them at my disposal. Can you come up with something?

by Kondensator
October 12, 2012

1:6 or 6:1 audio transformer means the signal i measured after the transformer is about 6 times lower and on the transformer there is 1:6 printed.

by Kondensator
October 12, 2012

The left and right channel are to be connected in parallel.

by Kondensator
October 12, 2012

Post a Reply

Please sign in or create an account to comment.

Go Ad-Free. Activate your CircuitLab membership. No more ads. Save unlimited circuits. Run unlimited simulations.

About CircuitLab

CircuitLab is an in-browser schematic capture and circuit simulation software tool to help you rapidly design and analyze analog and digital electronics systems.