|
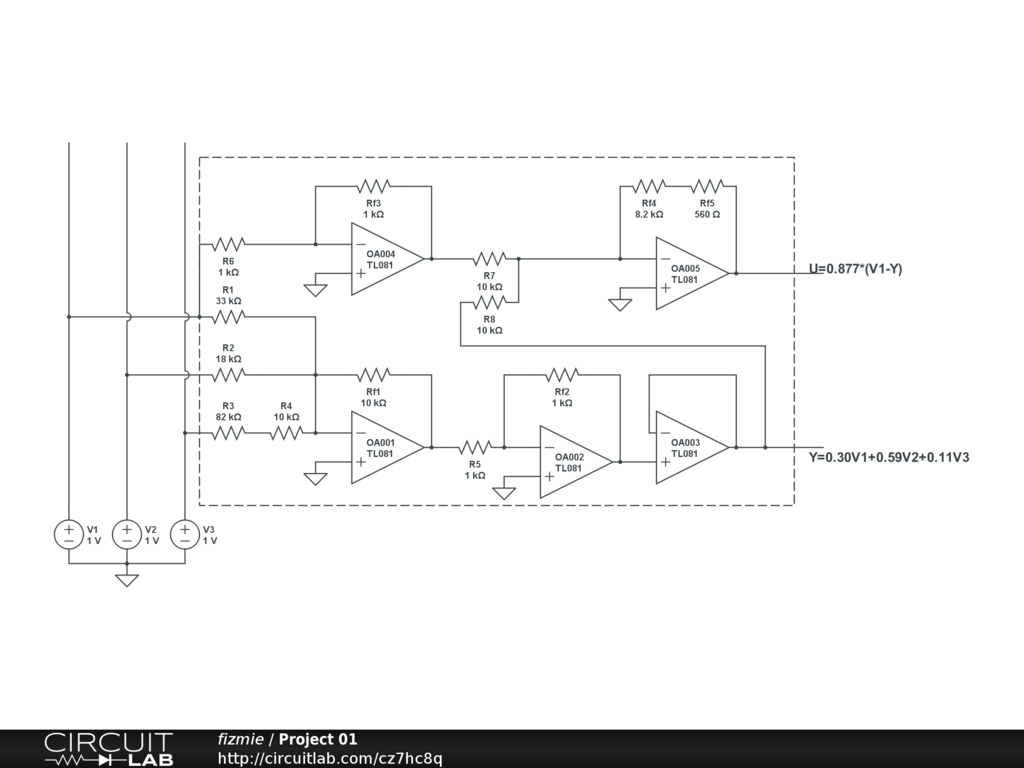
A controller circuit produce 2 output voltages, Y & U from 3 input signals V1, V2 & V3 base on these 2 equations, Y = 0.30 V1 + 0.59 V2 + 0.11 V3 U = 0.877 ( V1 - Y ) How to calculate the value of Y & U? I think I got the Y part but how do u use summing amp to get U = 0.877 (V1-Y) How to connect up the circuit? Tried to use U = - ( -V1 + Y ) but dunno how. What are the values of other component like the resistor or capacitor if needed? Any formulae may be use with regards to the type of op amp used; - inverting, non-inverting amp - buffer, summing amp Others - 1V reference voltage source - standard component resistors & capacitors values link to my unfinish circuit...
Thank you. |
by fizmie
June 05, 2013 |
|
Do you need (i) a circuit that you can actually build using real components or do you just need (ii) something that works as a simulation model in CL? If (i) then: You can generate Y using a single non-inverting opamp summer. If you then have an (inverting) amplifier with a gain of -1 and generate
then have another (inverting) amplifier with a gain of -0.877 to add -V1 and Y you get
This costs an extra opamp compared to using one amp to generate Y and a second amp to do the subtraction of Y from V1 and scaling but it is easier to visualise. If (ii) then just use the CL arbitrary behavioural sources to do the sums for you using expressions: https://www.circuitlab.com/docs/expressions/ :) |
by signality
June 05, 2013 |
|
Thank u. I'm actually building using real components value. |
by fizmie
June 05, 2013 |
|
Quote"then have another (inverting) amplifier with a gain of -0.877 to add -V1 and Y you get [ -0.877(-V1+Y) = 0.877(V1-Y) ]" I'm a bit confuse here... U = 0.877 (V1 - Y)... I know that - Rf / Rin = 0.877 do i hv to input -V1 (-1V) & Y (944.4mV) into a -ve of the summer amp? As for the resistor value (Rin) ... am I right to place it along -V1 (86k) & Y (18k) with Rf at 10k? & I'm suppose to get a +ve value? Sorry... I'm a newbie here... more into electrical installation rather than electronics. Thank u. |
by fizmie
June 05, 2013 |
|
In the sketch above, make R1 = R2 and make R3 = 0.877* R1. You seem to be building part of an analogue RGB to YUV converter, except that you haven't mentioned the V part ... http://en.wikipedia.org/wiki/YUV If I recall correctly, depending on the values of V1, V2 & V3 (R, G & B), U (and V) can be +ve or -ve. Note that, with the input voltages as you have shown, you will need to use split +ve and -ve supply rails in your real circuit. You cannot do this with a single +ve supply rail and ground because you have to generate a negative voltage of
|
by signality
June 05, 2013 |
|
I'm not sure if its RGB to YUV because we are only given these problem to solve which is to design a controller circuit with 3 inputs (V1,2 & 3) & 2 outputs (Y&U). We are only taught on inverting summer amp, inverting & non-inverting op amp. so our design hv limited types of op amp but did not limit the numbers used. |
by fizmie
June 06, 2013 |
Please sign in or create an account to comment.
CircuitLab is an in-browser schematic capture and circuit simulation software tool to help you rapidly design and analyze analog and digital electronics systems.