Bad design? cicuit one4

I noticed when the diode failed the voltage was over 110 at the diode wires. I blew the new diode when I added it to the circuit. I think the biggest capacitor held enough charge to cook the new diode. I discharged the circuit by touching a resistor the diode leads, then replaced the diode successfully. I was surprised the LED circuit didn't use a transformer. I feel so Old School.

by eedraftee
March 10, 2013

Please post a link to your circuit.

It's no use talking about a circuit that no-one can see.

No circuit: no help.

It is also unreasonable to expect people to have to go to your workbench to try to find the dircuit your are discussing.

Your post reads as a description of your experience.

It is not clear what you are asking about.

BTW, the circuit on your bench looks over complicated for what it it supposed to do.

The whole circuit can be realised using 1 resistor, 1 cap, 1 diode and 1 LED.

What are the characteristics of the LED?

Part number?

Datasheet?

Forward voltage, forward current?

:)

by signality
March 11, 2013

Thank you for your response. I am new to Circuit lab and didn't read directions for forum protocol. The data for the LED is not available. I was using workbench to try to understand how the circuit drives a 3volt LED without a step down transformer from 115 vac. Thanks again.

by eedraftee
March 11, 2013

I think this will link

by eedraftee
March 11, 2013

maybe now https://www.circuitlab.com/circuit/kw4bk3/one4/

by eedraftee
March 11, 2013

It doesn't look safe to me.

If C1 or R2 fails short circuit then - partly depending on the actual parts used and their ratings - any number of the components to the right of it may be destroyed.

It also allows charge to be stored on C2 // C3 for some time after power is removed.

Bad practice.

If D3 is removed and the circuit powered then C2 // C3 must be discharged after disconnection from the mains and prior to refitting D3.

by signality
March 11, 2013

I agree, I cannot take credit for the design and was trying to understand the logic and failure modes. Thank you

by eedraftee
March 12, 2013

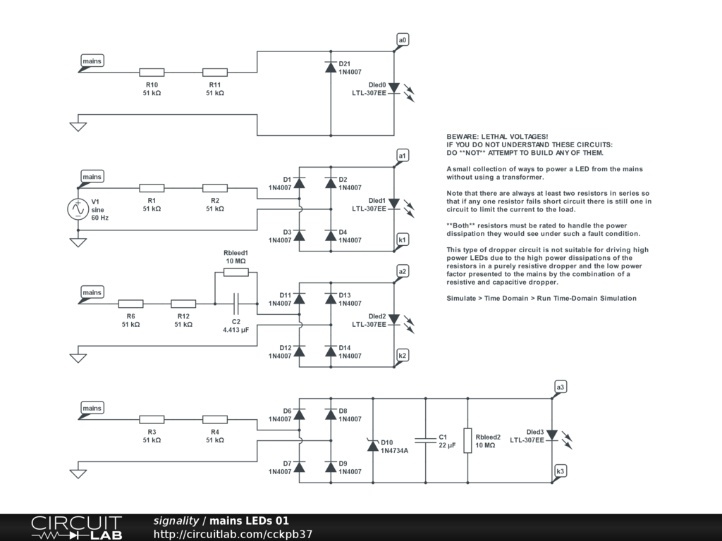
For info:

by signality
March 12, 2013

Post a Reply

Please sign in or create an account to comment.

Go Ad-Free. Activate your CircuitLab membership. No more ads. Save unlimited circuits. Run unlimited simulations.

About CircuitLab

CircuitLab is an in-browser schematic capture and circuit simulation software tool to help you rapidly design and analyze analog and digital electronics systems.