12vdc to 4.5vdc

Hello, I am building small fountains (I have an interest in electronics, but I am not very knowledgeable). I will be using 12vdc for LEDs and ultrasonic mister but my mini pumps are 4.5vdc. I would like to keep to a single electrical input and just use a very small voltage regulator on the pumps, but all I keep finding are 5vdc regulators. Is there a 4.5vdc chip?

by London_E
June 14, 2020

Use the 5v regulator and put a silicon diode in series with it (in the forward direction). This will drop the voltage by very close to 0.6v.

by Foxx
June 14, 2020

More than half your power will be lost in heat. (The current i is the same through the source at 12 volt and the regulator. Indeed if the current is not the same, electrons in excess, or extra electrons to supply, would have to come from somewhere. So the Power used = 12 * i and Power used don't exceed 4.5 * i.

Have you consider to use a PWM (Pulse Width Modulation) module instead? Having a duty cycle of 37% ( 4.5 / 12 ) smoothed with a capacitor to transform the 12 V to an average of 4.5V would supply your mini pumps. You could even play a little bit with the duty cycle to get more or less pressure (depends on how much the mini pump min and max). Additional, you can place the mini pump in parallel with a Zener diode to limit the long term voltage it could get.

by vanderghast
June 15, 2020

If the supply voltage exceeds the zener voltage you must have some series resistance or risk cooking the zener. If I were up against this I would try using 5v and watch for any problems. However, I might rethink this if I knew the type of motor and the type of pump.

by Foxx
June 15, 2020

Right, the Zener ALONE is not a solution, I was adding it as extra safety to the PWM, to protect the (assumed dc) motor.

by vanderghast
June 15, 2020

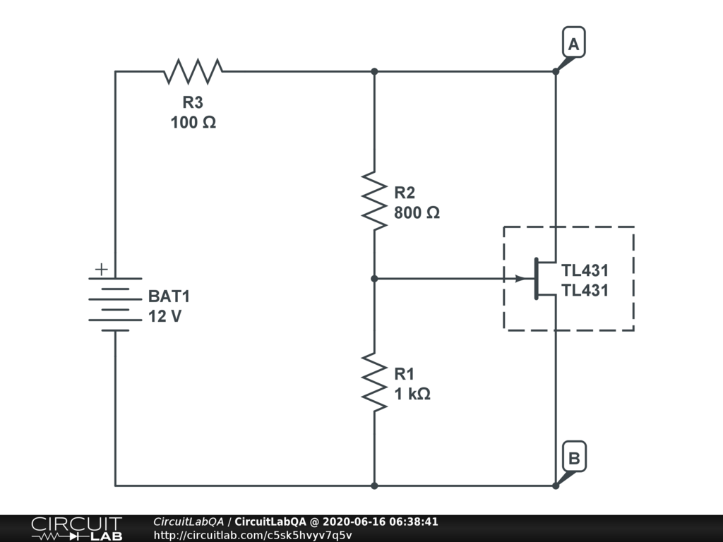
An alternative is to use a TL431 (from Texas Instruments). See the circuit below. The TL431 IS NOT A JFET, but an IC delivered in a TO92 package (3 pins). With the given arrangement, V_AB = 4.537 volt. Or, if you prefer,

2.5 * ( R1+R2) / R1.

The current through the resistors R1 and R2 must be more than 1 mA for proper use. There is almost no current leaking out/in into the TL431, so R1 and R2 see the same current.

You must check the power dissipation of R3. Here, since V_R3 = 12 - 4.53 = 7.47 volt (assuming no motor present between A and B), I = 75 mA, so P = R*I^2 = 0.55W. A tiny 1/8 Watt resistor doesn't stand a chance !

This solution is not as efficient as a solution based on PWM, but requires only simple and cheap components.

by vanderghast
June 16, 2020

You guys have given some great answers thank you. The pump is a mini submersible. it is listed as 3-4.5vdc, I am running into a strange problem though. I am providing 12vdc to input on a 7805 (gnd is connected) then I show a nominal 5vdc on the output with meter. The motor does not work. If I touch it to the 12vdc pin it works fine (very fast and probably not for long, but fine). So I tried to check amperage from output to pump in. The pump works fine and shows .45mA. So i touch it's positive back to the pin and nothing. Is there something with pwm going on that the multi-meter smooths out or something? Do I need to get a capacitor? It is baffling to me.

by London_E
June 16, 2020

The 7805 is a voltage regulator, not a PWM integrated circuit. Datasheet: http://www.datasheetcafe.com/wp-content/uploads/2015/10/ka7805.pdf. You may add capacitors as in figure 5 to add "stability", but not having them should not create the problem that you described.

If you replace the motor with a RED LED + a resistor (180 to 220 ohm), does the LED light up? If not, the 7805 is probably dead, or there is a really bad connection. Have you tried with a 9 volt battery? or with something which is known to deliver 5 volts (Arduino, Raspberry Pi, MSP432, ... or 3* AA batteries for 4.5 volt). The problem can also come from the motor itself. They have a minimum voltage from which they start to run. (They also have a maximum amperage limited by the internal wire size they used, among other things).

If you can determine for sure that the 7805 delivers 5 volt and that the motor turns when you supply 5 volt (through another source), then the problem is quite probably in the circuit/connections/insulation.

It is also possible that the source is unable to supply a decent current under that specific case (which is generally the case for any battery in short-circuit, as example, they cannot supply an "infinite" current), and its supplied voltage then drops. If it cannot deliver more than 7 volt, the 7805 cannot delivers its regulated 5 volt. But that is not often seen and one of the least probable occurrence. Unless the 12V comes from a very old battery close to its end of useful electrical life.

by vanderghast
June 17, 2020

Thanks for the information. I'll have to try to track it down. The 7805 works fine and powers an LED with no problem and shows a constant 5v out. The input is a steady 12v. And the circuit runs great if I have my multi-meter in amp setting and placed between the 7805 output and the motor input. It's very odd. Thank you for your time

by London_E
June 17, 2020

No idea why I can't hook directly up to the 7805 (I've tried several different ones as well) I got a mini buck converter (about the same size as the 7805) and it works great. Is there any downside to this?

by London_E
June 18, 2020

The only points coming to mind are, first, is your 7805 use the standard pinout for a 7805 (https://components101.com/7805-voltage-regulator-ic-pinout-datasheet) and, secondly, if you use a breadboard, be sure that the free "pinholes" of the same column show a valid voltage (sometimes, there is a really bad electrical contact), mainly for the column supplying the 5 volt output.

by vanderghast
June 18, 2020

1 Answer

Answer by vanderghast


Your Answer

You must log in or create an account (free!) to answer a question.

Log in Create an account


Go Ad-Free. Activate your CircuitLab membership. No more ads. Save unlimited circuits. Run unlimited simulations.

Search Questions & Answers


Ask a Question

Anyone can ask a question.

Did you already search (see above) to see if a similar question has already been answered? If you can't find the answer, you may ask a question.


About This Site

CircuitLab's Q&A site is a FREE questions and answers forum for electronics and electrical engineering students, hobbyists, and professionals.

We encourage you to use our built-in schematic & simulation software to add more detail to your questions and answers.

Acceptable Questions:

  • Concept or theory questions
  • Practical engineering questions
  • “Homework” questions
  • Software/hardware intersection
  • Best practices
  • Design choices & component selection
  • Troubleshooting

Unacceptable Questions:

  • Non-English language content
  • Non-question discussion
  • Non-electronics questions
  • Vendor-specific topics
  • Pure software questions
  • CircuitLab software support

Please respect that there are both seasoned experts and total newbies here: please be nice, be constructive, and be specific!

About CircuitLab

CircuitLab is an in-browser schematic capture and circuit simulation software tool to help you rapidly design and analyze analog and digital electronics systems.