Design recommendation for LED Array

I need to design an LED array that drives at least 12 white LEDs. They have a Forward voltage of 3.6V at 150mA, and I need to drive them with a 12V, 1A power supply. This is what I have so far, but I can't get it to work

by BaxterC
November 11, 2016

1 Answer

Answer by WHITELEYREEBA

There is a couple of issues with what you you have. First of all, the forward voltage drop across 6 LEDs is almost certainly more than than your 12V power supply, and also the LEDs your simulating with are different that what you are describing.

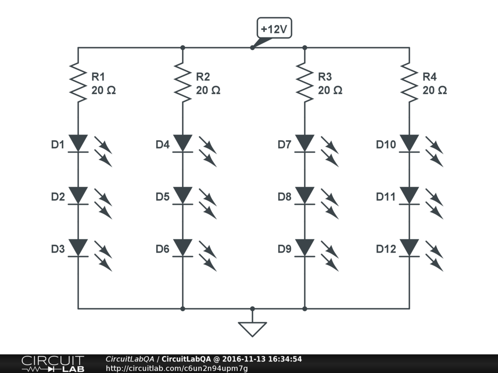
For help figuring out how to model your LEDs in a simulator check out this forum post https://www.circuitlab.com/forums/optoelectronics/topic/6vu3zs7w/how-to-add-an-anonymous-led/ and the answer user mrobbins. In the circuit below I went and ahead and messed with the parameters for you and got pretty close to what you want I think. You should tinker with them some more and compare against the chart in your datasheet to make sure its right.

If you open the circuit and plot some of the value you will notice a few things. The voltage drop across all the LEDs is about 3.1V, the current going into ever LEDs is about 120mA. There are 4 strings of these in parallel, so 120mA * 4 is is 420mA total that the circuit is drawing, which is well within your 1A limit.

So how did I get to this answer? Break it down and take it one string at a time. You know each one of your LEDs is going to drop about 3.1V, and you have a total of 12V to work with, so $3.1V\times3=9.3V$. Under 12 volts, yay! Next we have to limit the current, with a current limiting resistor. You know the LEDs drop about 9.3V, so $12V-9.3V=2.7V$ across the new resistor. You also know your LEDs pull about 150mA of current at 3.1V, you have what you need to plug into $V=IR$ to get the resistor value. $\frac{2.7V}{150mA} = 18 \Omega$. Once you know how a single one of your strings behaves the only thing left to do is verify that 4 of them in parallel are not pulling too much current for your power supply.

+1 vote
by WHITELEYREEBA
November 13, 2016

Your Answer

You must log in or create an account (free!) to answer a question.

Log in Create an account


Go Ad-Free. Activate your CircuitLab membership. No more ads. Save unlimited circuits. Run unlimited simulations.

Search Questions & Answers


Ask a Question

Anyone can ask a question.

Did you already search (see above) to see if a similar question has already been answered? If you can't find the answer, you may ask a question.


About This Site

CircuitLab's Q&A site is a FREE questions and answers forum for electronics and electrical engineering students, hobbyists, and professionals.

We encourage you to use our built-in schematic & simulation software to add more detail to your questions and answers.

Acceptable Questions:

  • Concept or theory questions
  • Practical engineering questions
  • “Homework” questions
  • Software/hardware intersection
  • Best practices
  • Design choices & component selection
  • Troubleshooting

Unacceptable Questions:

  • Non-English language content
  • Non-question discussion
  • Non-electronics questions
  • Vendor-specific topics
  • Pure software questions
  • CircuitLab software support

Please respect that there are both seasoned experts and total newbies here: please be nice, be constructive, and be specific!

About CircuitLab

CircuitLab is an in-browser schematic capture and circuit simulation software tool to help you rapidly design and analyze analog and digital electronics systems.