Created by
Created April 01, 2013
Last modified April 01, 2013
Tags dc   dual   lm317   positive   power-supply   regulator   supply   voltage  

Summary

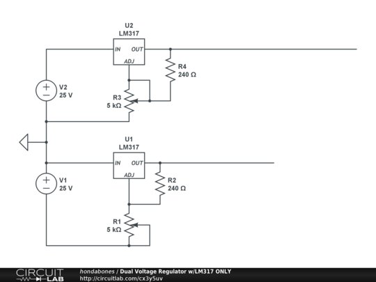
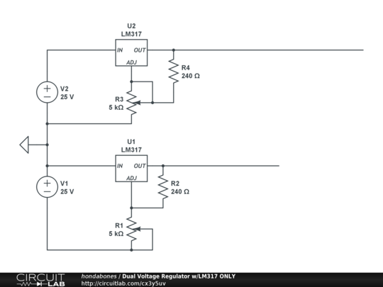
Using LM317 for both positive and negative voltage regulation.


Description

The LM317 requires a greater voltage on the input than the out. Since 0 volts is greater than negative this idea should work. Just be sure to add filters and such.


Comments

LM317 can not sink current. That's why dedicated negative voltage regulators exist. OR, you can still have a negative voltage from the circuit, BUT, with a separate return path from the positive.

by adash
April 03, 2013

Thanks for the input Adash. This is an expanded design from Negative Voltage Regulator w/ LM317. Please reference that for comment.

by hondabones
April 03, 2013

Leave a Comment

Please sign in or create an account to comment.

Revision History

Only the circuit's creator can access stored revision history.