How to mae the k in potentiometer dependent (on a current)? SOLVED

How to mae the k in potentiometer dependent (on a current)?

by Hichi
January 01, 2021

Coincidentally, I have been experimenting in CL with current control of a resistor. Results to date are here: https://www.circuitlab.com/circuit/m26zer743v7u/current-controlled-resistance/

When I saw your post on potentiometer control I put together a prototype simulation with two of the previous devices in series: https://www.circuitlab.com/circuit/5pcy9xh3r2r2/current-controlled-potentiometer/

Hoping that these schematics will give you some ideas!

by EF82
January 02, 2021

2 Answers

Answer by mrobbins

@EF82 definitely has you on the right track by using Behavioral Sources to implement the dynamic resistor(s).

Instead of using a potentiometer element, just use two resistors to make up each half of the potentiometer. Try this example:

The two resistances R1A and R1B add up to 100k. The key is that one is proportional to LIMIT(I(I1.nA), 0, 1) and the other is proportional to (1 - LIMIT(I(I1.nA), 0, 1)) .

ACCEPTED +1 vote
by mrobbins
January 05, 2021

Neat, thanks!

by EF82
January 05, 2021

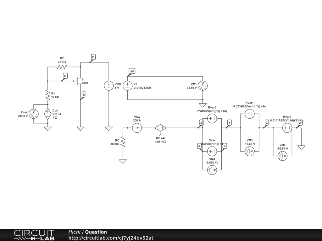
I am trying to put two controlled resitances in parallel (Rvar and Rvar 5) in the circuit below. It seems not to be possible?

by Hichi
January 13, 2021

@Hichi it appears that the circuit you linked is not public. Can you make it public or unlisted so we can take a look?

by mrobbins
January 14, 2021

Thanks mrobbins. It is Unlisted now, can you please check?

by Hichi
January 14, 2021

Answer by Hichi

Thanks. It was very helpful. Would it be possible to link the Rvar value to different parts of another circuit? I have resitors that each are a multply of the Rvar and want them to change as the Rvar changes. I tried the Parameter Element but it seems not to accept Rvar ...

+1 vote
by Hichi
January 02, 2021

I think this is the information that you are asking about:

  • If you want to use more than one current controlled device (eg Rvar) on the same CL schematic, then each one must have a different name (eg Rvar, Rvar1, Rvar2, Rvar3, etc).

  • If you want to synchronise a group of devices, then all of them in the group must share the same control voltage, eg V(ctrl).

by EF82
January 04, 2021

Your Answer

You must log in or create an account (free!) to answer a question.

Log in Create an account


Go Ad-Free. Activate your CircuitLab membership. No more ads. Save unlimited circuits. Run unlimited simulations.

Search Questions & Answers


Ask a Question

Anyone can ask a question.

Did you already search (see above) to see if a similar question has already been answered? If you can't find the answer, you may ask a question.


About This Site

CircuitLab's Q&A site is a FREE questions and answers forum for electronics and electrical engineering students, hobbyists, and professionals.

We encourage you to use our built-in schematic & simulation software to add more detail to your questions and answers.

Acceptable Questions:

  • Concept or theory questions
  • Practical engineering questions
  • “Homework” questions
  • Software/hardware intersection
  • Best practices
  • Design choices & component selection
  • Troubleshooting

Unacceptable Questions:

  • Non-English language content
  • Non-question discussion
  • Non-electronics questions
  • Vendor-specific topics
  • Pure software questions
  • CircuitLab software support

Please respect that there are both seasoned experts and total newbies here: please be nice, be constructive, and be specific!

About CircuitLab

CircuitLab is an in-browser schematic capture and circuit simulation software tool to help you rapidly design and analyze analog and digital electronics systems.