12V cigarette lighter socket cut on/off from house battery on yacht

Hi there,

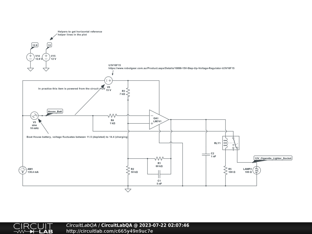
On my boat I'd like to have a 12V cigarette lighter socket that is powered on when the house battery voltage is above 12.8V. I'd like this socket to be switched off when the house battery voltage has dropped under 12V and only to be powered on again when 12.8V is reached, for example when the solar panel has charged the battery sufficiently again. A bit like the Victron Orion-Tr Smart DC-DC converter would do (in DC-DC converter mode, not charging, see 4.2 at: https://www.victronenergy.com/upload/documents/Orion-Tr_Smart_DC-DC_Charger_-_Non-Isolated/34439-Orion-Tr_Smart_DC-DC_Charger-pdf-en.pdf ).

Not being an electronics engineer by trade I have tried to put a circuit together using a Schmitt Trigger and adjusted the resistors to achieve the above specified cut on/off thresholds. In simulation-world it seems to work, but would it do so too in the real world?

Any pro advice to make this dream a reality?

Cheers,

Mark

by mark_in_motion
July 22, 2023

The first thing that jumps at me is that you should put a diode (commonly called a "flywheel diode") across the relay coil to prevent voltage spikes when the relay is de-energized. I think it would also be wise to give the op-amp some sort of feedback, say a zener diode to set a definite voltage when the op-amp is turned on, or even a high ohm resistor output to inverting input. When I made a living at this op-amps were known to sometimes lock up when there was no feedback

by Foxx
July 25, 2023

No Answers

No answers yet. Contribute your answer below!


Your Answer

You must log in or create an account (free!) to answer a question.

Log in Create an account


Go Ad-Free. Activate your CircuitLab membership. No more ads. Save unlimited circuits. Run unlimited simulations.

Search Questions & Answers


Ask a Question

Anyone can ask a question.

Did you already search (see above) to see if a similar question has already been answered? If you can't find the answer, you may ask a question.


About This Site

CircuitLab's Q&A site is a FREE questions and answers forum for electronics and electrical engineering students, hobbyists, and professionals.

We encourage you to use our built-in schematic & simulation software to add more detail to your questions and answers.

Acceptable Questions:

  • Concept or theory questions
  • Practical engineering questions
  • “Homework” questions
  • Software/hardware intersection
  • Best practices
  • Design choices & component selection
  • Troubleshooting

Unacceptable Questions:

  • Non-English language content
  • Non-question discussion
  • Non-electronics questions
  • Vendor-specific topics
  • Pure software questions
  • CircuitLab software support

Please respect that there are both seasoned experts and total newbies here: please be nice, be constructive, and be specific!

About CircuitLab

CircuitLab is an in-browser schematic capture and circuit simulation software tool to help you rapidly design and analyze analog and digital electronics systems.