Created by
Created August 31, 2022
Last modified August 31, 2022
Tags mosfet   power   voltage-regulator   zener-diode  

Summary

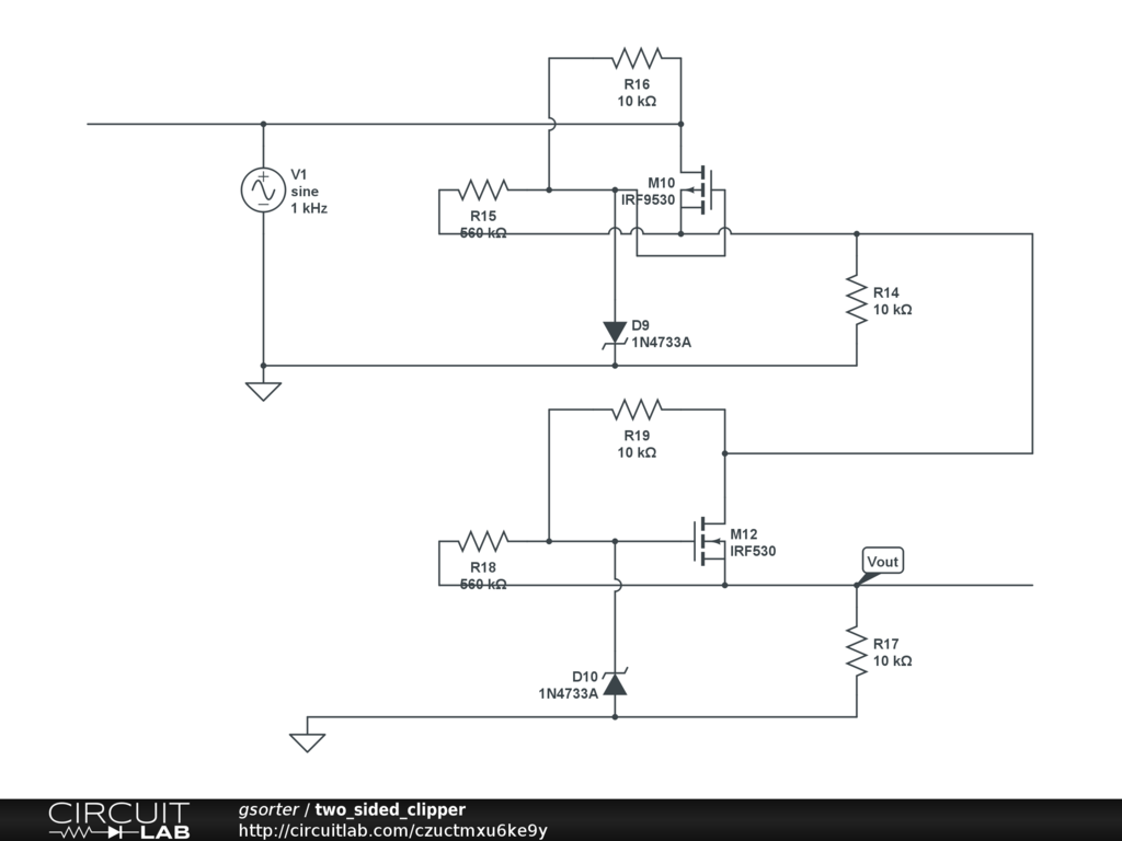
Clips high amperage AC current, both sides of waveform, using zener diodes and a P and N channel MOSFET


Description

I am not an electrical engineer, and need advice about how to clean up this circuit, if there is a better way to cllip both peaks of an AC current, and if there are any glaring problems This circuit is intended to clip both peaks of a high amperage AC current, say 40 amps at 30 volts. I used an N and P MOSFET to pass the large current if the voltage is below the Zener breakdown voltage, in which case the gate is turned off. I basically made 2 circuits, one to clip top of wave and one to clip bottom,and put them in series. There must be a better way?


Comments

Non EE looking for help on this circuit, or a better way to clip top and bottom of high current, power AC signal

by gsorter
August 31, 2022

Leave a Comment

Please sign in or create an account to comment.

Revision History

Only the circuit's creator can access stored revision history.