Created by
Created April 11, 2012
Last modified May 19, 2012
Tags amplifier   audio   bjt   differential   jfet   level-shift   startup  

Summary

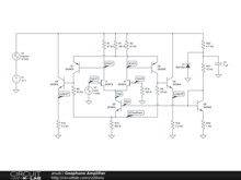
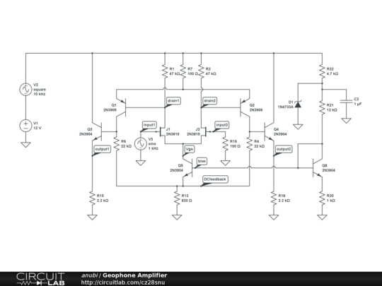
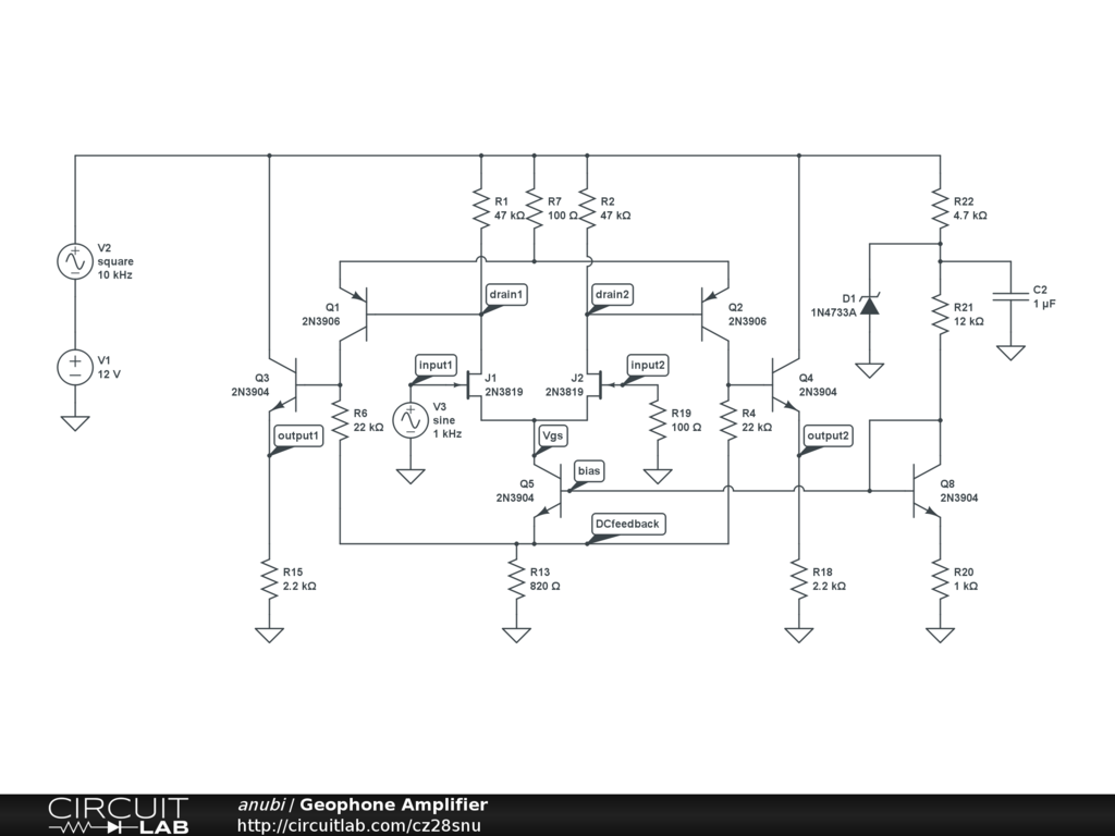
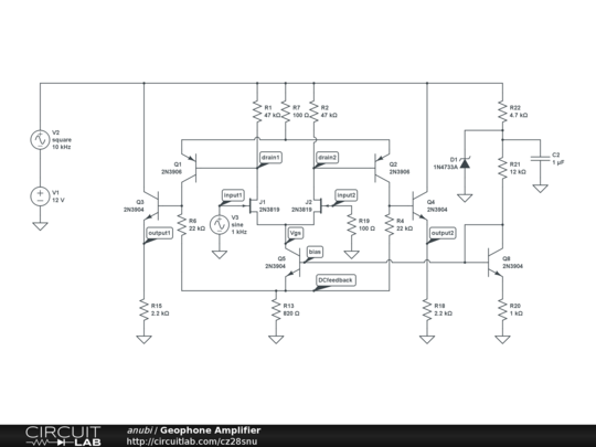
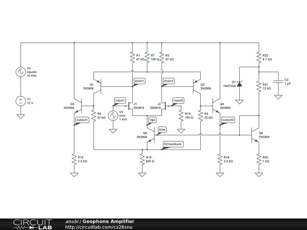
Single-supply voltage. High-impedance differential input referenced to ground. Low impedance differential line-driver output.

This circuit would not converge with old JFET model. CircuitLab fixed the model.


Description

This circuit shows a convergence problem. Run the DC solver under the Simulate tab and note some really strange readings.

Later fix...I have been contacted by CircuitLab about the JFET model. The simulation is now working!

I have completed the model ; it is now almost identical to the field unit. DC operating point is by varying R13 or R20.

Square wave generator in series with 12V main power supply is to see how well the circuit rejects power supply noise.

Originally designed as a geophone amplifier In the field. I had microvolts of signal to work with, and often had to get it to the truck several hundred feet away. Power draw had to be low as dozens of these were running simultaneously off the truck battery. I had to do it with parts available at the time. I wanted it robust as possible, but also inexpensive as possible.

Once I got the signal's impedance low, and differential, I could send it for a mile easily over plain old twisted pair telephone cable. Once I had a PCB taped out, I could crank these out by the hundreds in the shop. Dual-transistor cans. ( J1:J2, Q1:Q2, Q3:Q4; Q5:Q8 ) will keep the circuit as balanced as possible.


Comments

cool ,thanks.

by mcuhack
April 17, 2012

Leave a Comment

Please sign in or create an account to comment.

Revision History

Only the circuit's creator can access stored revision history.