Created by
Created August 03, 2012
Last modified March 13, 2013
Tags buck-converter   pwm   smps   step-down-converter   switch-mode-power-supply   switch-mode-supply   switching  

Summary

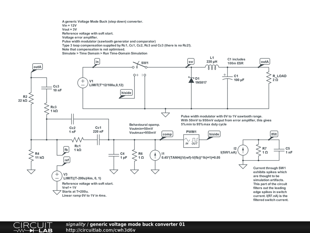
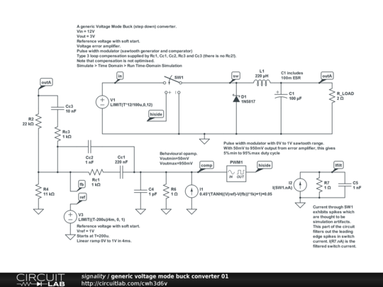
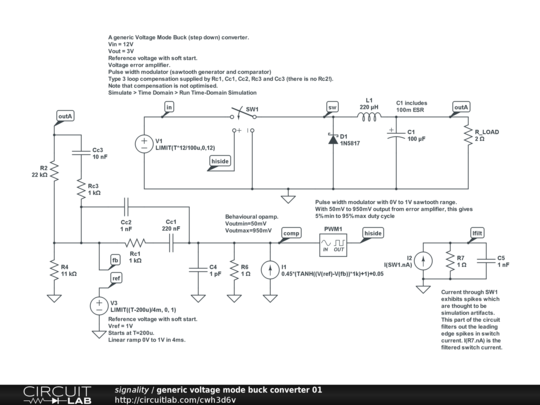
A generic Voltage Mode Buck (step down) converter.
You will have to calculate component values for your own application.


Description

A generic Voltage Mode Buck (step down) converter.

Reference voltage with soft start.

Voltage error amplifier.

Pulse width modulator (sawtooth generator and comparator)

Type 3 loop compensation supplied by Rc1, Cc1, Cc2, Rc3 and Cc3 (there is no Rc2!).

Note that compensation is not optimised.

Simulate > Time Domain > Run Time-Domain Simulation


Comments

No comments yet. Be the first!

Leave a Comment

Please sign in or create an account to comment.

Revision History

Only the circuit's creator can access stored revision history.