Created by
Created November 03, 2012
Last modified November 13, 2012
Tags 555   behavioral-sources   fan-speed-control   newbie   ntc   pwm   time-capsule  

Summary

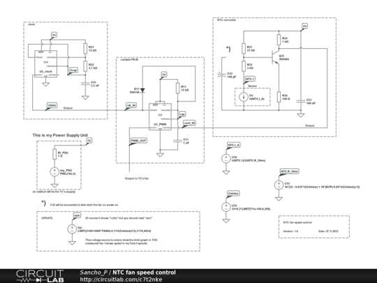
This is the complete circuit to control the mini fan in my Apple’s Time Capsule by a NTC sensor and a dual timer ICM7556IPD (CMOS).
The project basically consisted of three parts because I did not know how to use virtual electronics at all. Later this complete circuit was verified on my breadboard together with the Time Capsule and it works as expected.

UPDATE exists (see end of description).


Description

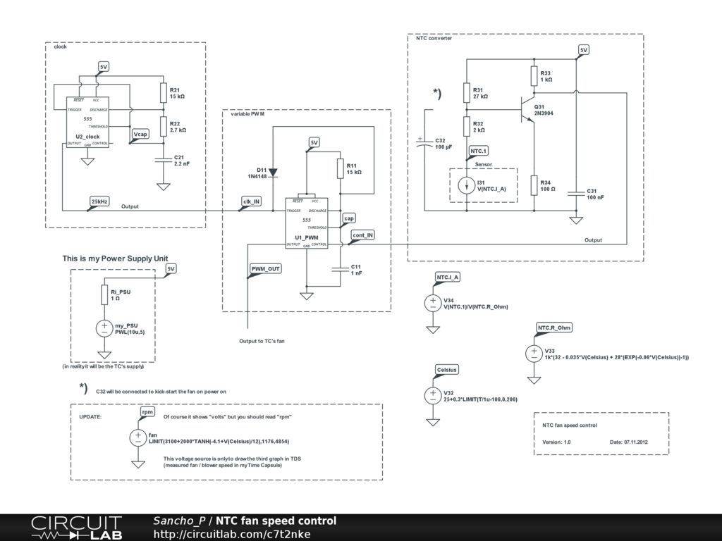
The circuit consists of PSU, clock, variable PWM and NTC converter. The 25 kHz variable PWM is controlled by the air temperature of the TC’s power supply (air outlet).

Read the complete project information from here: 555 pwm for fan speed control

This simulation makes some strange use of “behavioral sources” which was a bit odd to me (as a newbie in simulation) - but it works ;-).

The CL “Time Domain Simulation” plots the PWM from minimum to maximum duty cycle over a linear temperature rise.

To run a useful simulation the NTC’s temperature is calculated using the Time Domain Simulation’s time (label “Celsius”) in the first stage. This “temperature” is used to compute the NTC’s resistance using an approximative formula. There is no “behavioral resistance” in CL so here is a workaround:

From this “resistance” the next stage computes a “current” through the NTC which now is used in a behavioral current source to govern the transistor instead of the NTC. Some values are given in “Volt” instead of their true units.

BTW: Who is supposed to understand that? I don't know if I fully did. It's great that CL understands units, but ... - OK.

C32 (the kick-start) is not connected in the simulation because it would hold the control voltage at “full speed” during the 400 usec - shot. CL's simulation always starts at time zero, there is no start point to be defined for the plot ...

I use my own Power Supply Unit to supply the circuit because I want to simulate a power ramping up in 10 usec with RI = 100 mOhm. Using CL’s voltage sources in Time Domain is tricky as these are “ideal” sources.

However, due to internal problems of the CL’s “Solver” (it takes ages when using mOhm) I had to increase the PSU’s Ri to 1 Ohm, which isn’t a problem for the circuit anyway.

Regarding the graphs of the TDS:

a) The blue trace in the first graph shows the variable PWL from minimum to maximum duty cycle for temperature 25 to 85 °C. But what will happen below 25 and above 85 °C, will it work if the NCT fails? What means “fails” here?

b) Sometimes the pulse width seems to “jitter”, this is because of the 1u time steps to have a short simulation response. Try 0.1u as time step, how long will it take now to see the graphs, compared to 1u? Hmmm, 10 times more? :-((

c) In the second graph there is the supply current to be seen (I don’t take that …) and the “temperature” (orange) in Volts (1V == 1°C). I did not find how to scale in celsius, I think that’s not possible. However, the corresponding resistance value (first graph, green) is not fully exact due to the simple NTC conversion formula I’ve used.

Some handy features with graphs in CL:

  • Try the “click and drag” to zoom in to a plot region (double click to restore).

  • To hide a single trace click the label in the plot legend.

  • Try the “Advanced Graphing” for options in graph set up, really nice in CL !!!


13.11.2012 - UPDATE (1):

a) I’ve learned that what’s used in the Time Capsule correctly is called a “blower”, not simply “a fan”. It is a radial blower for medium to high pressure (with curved blades).

b) In the diagram I have added a behavioral voltage source just to represent the blower’s speed which I have measured in my Time Capsule using this circuit. Now CL’s computing time increased from 30 to about 60 seconds (on my system). In TDS scroll down to see the graph.

c) To take the speed values over temperature the NTC was replaced by an potentiometer, the blower’s output (2 pulses per rotation) was measured then. The blower’s speed varies from 1176 to 4845 rpm.

d) The only problem so far: The circuit is still an annex to my TC because IT DOES NOT FIT !!!


Comments

No comments yet. Be the first!

Leave a Comment

Please sign in or create an account to comment.

Revision History

Only the circuit's creator can access stored revision history.