Created by
Created March 28, 2013
Last modified March 28, 2013
Tags adjust   dual   power-supply   supply   variable   voltage   zero  

Summary

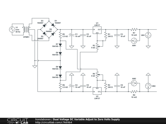
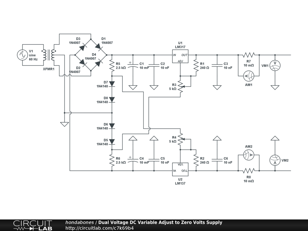
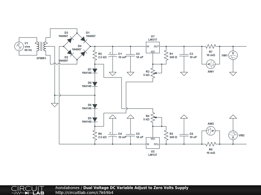
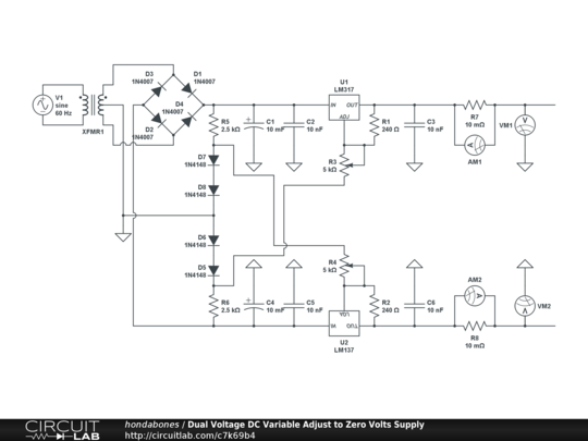
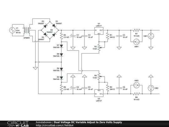
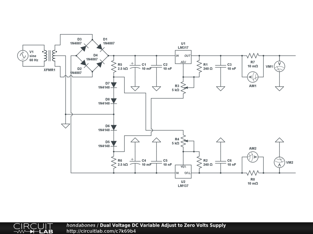
Dual Voltage DC Power Supply with circuitry to allow the adjustment to overcome the minimum 1.2 volts of the LM317 and LM337.


Description

The approximate 1.2 volt drop of D5-D6 and D7-D8 is the secret. By applying a +1.2 volts to the negative voltage adjust you overcome the minimum 1.2 volts of the negative voltage regulator. The same is for the positive side by applying a -1.2 volts to the positive voltage adjust you will overcome the minimum 1.2 volts of the positive regulator.


Comments

Very interesting. I am in the process of sorting a bench top modeled after this. Have you put this to real world yet?

by vocalsyup
February 04, 2014

Leave a Comment

Please sign in or create an account to comment.

Revision History

Only the circuit's creator can access stored revision history.