Created by
Created October 29, 2012
Last modified October 29, 2012
Tags filter   lowpass   moog   synth   synthesiser   synthesizer   voltage-control  

Summary

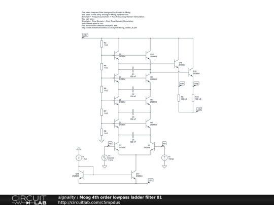
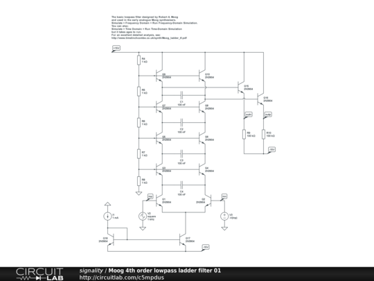
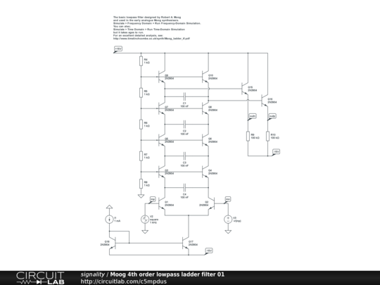
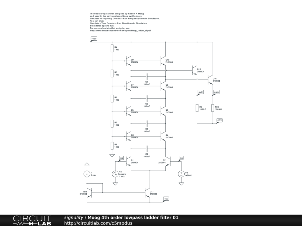
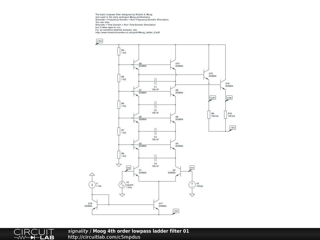
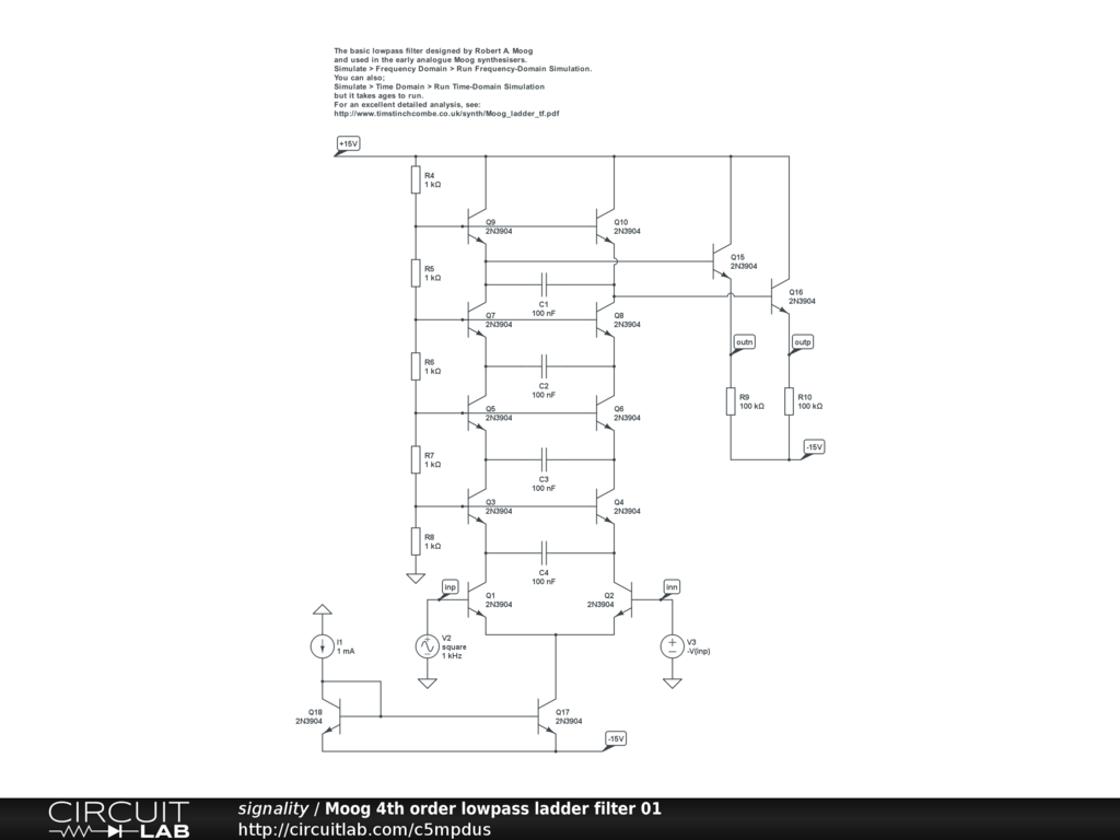
The basic lowpass filter designed by Robert A. Moog
and used in the early analogue Moog synthesisers.

Simulate > Frequency Domain > Run Frequency-Domain Simulation.

You can also;
Simulate > Time Domain > Run Time-Domain Simulation
but it takes ages to run.

For an excellent detailed analysis, see:

http://www.timstinchcombe.co.uk/synth/Moog_ladder_tf.pdf


Description

Not provided.


Comments

It is great that we can take the <a href="http://goodfinance-blog.com/topics/personal-loans">personal loans</a> and it opens new possibilities.

by BrigitteFox
December 03, 2012

Leave a Comment

Please sign in or create an account to comment.

Revision History

Only the circuit's creator can access stored revision history.