Opamp + digital potentiometer = no zero issue

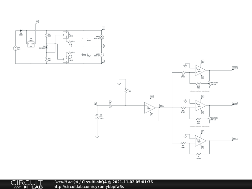
Hi, I have a guitar pedal buffer/splitter circuit. This is controlled by hi-V digital potentiometers (AD5290). My problem is that these cannot go to zero ohms because the wiper resistance somewhere between 500-800 ohms. This means I cannot turn a channel all the way down. And there's a slight audible signal in my breadboard setup. Running a freq-domain simulation shows that minimum is -32dB. Any idea for an opamp configuration to get around this issue?

by Kraghen
November 02, 2021

The AD5290 supports a -V1 to +V2 output given the position of the wiper, right? Have you tried to supply a small negative lower voltage so that when the wiper is at the zero (minimum) position, the output becomes zero? Or in the negative that you will later stops (filter out) ?

by vanderghast
November 05, 2021

Alternatively, have you asked to Analog Devices how to solve that problem with a single power supply (0 to +Vcc) ?

by vanderghast
November 05, 2021

No Answers

No answers yet. Contribute your answer below!


Your Answer

You must log in or create an account (free!) to answer a question.

Log in Create an account


Go Ad-Free. Activate your CircuitLab membership. No more ads. Save unlimited circuits. Run unlimited simulations.

Search Questions & Answers


Ask a Question

Anyone can ask a question.

Did you already search (see above) to see if a similar question has already been answered? If you can't find the answer, you may ask a question.


About This Site

CircuitLab's Q&A site is a FREE questions and answers forum for electronics and electrical engineering students, hobbyists, and professionals.

We encourage you to use our built-in schematic & simulation software to add more detail to your questions and answers.

Acceptable Questions:

  • Concept or theory questions
  • Practical engineering questions
  • “Homework” questions
  • Software/hardware intersection
  • Best practices
  • Design choices & component selection
  • Troubleshooting

Unacceptable Questions:

  • Non-English language content
  • Non-question discussion
  • Non-electronics questions
  • Vendor-specific topics
  • Pure software questions
  • CircuitLab software support

Please respect that there are both seasoned experts and total newbies here: please be nice, be constructive, and be specific!

About CircuitLab

CircuitLab is an in-browser schematic capture and circuit simulation software tool to help you rapidly design and analyze analog and digital electronics systems.