Created by
Created July 14, 2013
Last modified August 09, 2013
Tags No tags.

Summary

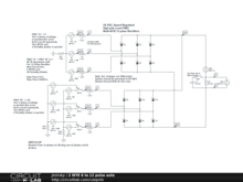
6 pulse to 12 pulse switchover for comparison. Strange warble in the DC current. and I PH 1,2,3 is different from I PH 7,8,9 for no apparent reason


Description

Not provided.


Comments

@jmirsky,

The "warble" is due to a typo in R_ESR for L9.

I'm guessing that you meant to set it to the same value of 2.5e-3 as all the other inductors but in fact you have entered it as:

2.5-3

so it is a negative resistance!

Correct that and the warble goes away.

BTW, if you like, you can make the circuit a little more elegant and get rid of the duplicate V sources and the time controlled switches by using these expressons in the lower 3 V sources:

For V7:

21*sqrt(2)*sin(2*PI*T*440+0+V(shift))

For V7:

21*sqrt(2)*sin(2*PI*T*440+2*PI/3+V(shift))

For V9:

21*sqrt(2)*sin(2*PI*T*440+4*PI/3+V(shift))

and then using a PWS() V source to generate a step from 0V to -PI/6 at 5m to supply V(shift).

I'm not certain but that might simulate a bit faster too.

:)

http://signality.co.uk

by signality
August 07, 2013

Thanks

by jmirsky
August 09, 2013

Leave a Comment

Please sign in or create an account to comment.

Revision History

Only the circuit's creator can access stored revision history.