Created by
Created August 26, 2012
Last modified August 26, 2012
Tags No tags.

Summary

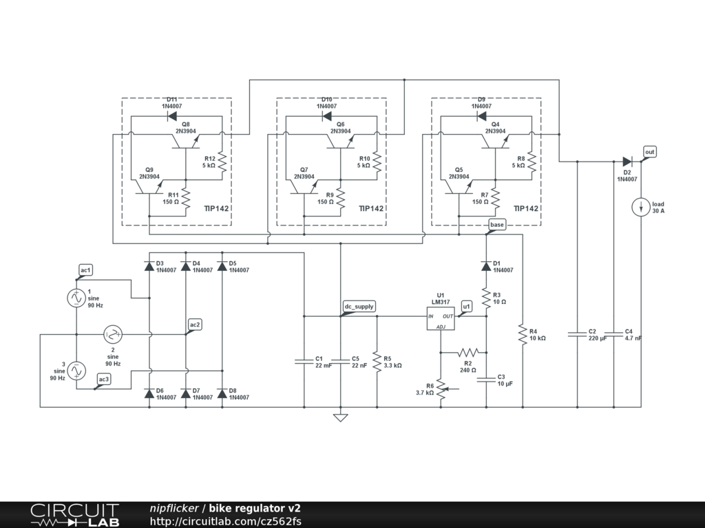
13.8v bike regulator, not complete, not tested, any advice welcome!


Description

Not provided.


Comments

Hi again,

You still have that spurious ground connection to the star point of the alternator.

If do you have a wire that you are sure is connected to the star point it should go to a 4th pair of (low power) diodes in the wired the same way as the three pairs of high power diodes in the rectifier. You may get about about 3% more power out of the stator due to the current imbalance at the start point.

Also note that your Darlingtons are not connected correctly. CL has put wire bridges where there should be joins.

It's good practice to not join 4 wires in a + but to stagger two of the joins so that you have two 3 wire joins close together (a | followed by a T).

Have you given any thought to short circuit protection?

by signality
August 26, 2012

the ground on the altinator is wrong but the cl would not run the time thingy without it connected? (kept showing the ac as 1v ptp) , i know it was a quick bodge before i was ordered to take wife and kids out the house!

by nipflicker
August 26, 2012

Leave a Comment

Please sign in or create an account to comment.

Revision History

Only the circuit's creator can access stored revision history.