Created by
Created November 16, 2020
Last modified November 17, 2020
Tags No tags.

Summary

A small light for night time illumination. A pulsed LED makes efficient use of the battery. Re-charging is via solar panel or USB.


Description

Summary

I undertook this design in order to learn simulation techniques in relation to real builds. To keep the simulation schematic manageable, I have favoured simplicity over functions and overall efficiency.

The schematic primarily provides a record of experiments in both simulation and a real build. The simulation runs in a functional way, but the results are not representative of the quantitative operation of the real circuit.

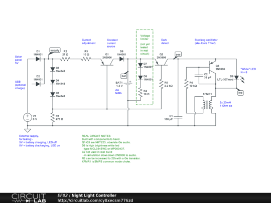
Default operation is with a small solar panel, with optional charging from USB. An AA NiMh battery stores up charge during daylight and provides power at night. The light (a white LED) automatically switches on/off in dark/light. A blocking oscillator pulses the LED enabling apparent brightness of the LED to be maintained with reduced battery consumption.

There are some divergences between simulation vs real, eg no Ge BJTs, rechargeable batteries, or solar panels in the simulation library. However, I have made a partial simulation of a white LED.

Circuit details (simulated and real)

The design began as an exploration of what might be inside a solar powered garden light, made popular by the availability of high brightness white LEDs.

Input The Arduino-related market has produced a 5V, 100mA solar panel which provides plenty of power, through D1. 5V from a USB interface can be connected to supplement, or even replace, the panel through D2.

Current Limiting Q1 limits the maximum battery charging current to a level which does not require sophisticated over-voltage detection and protection. Initial choice of rate is about 0.05C. The rate can be adjusted with R2.

Storage The battery will store charge whenever there is enough daylight on the panel to maintain 4-5V at the input. Very roughly, 2-3 hours of full sun will give enough charge to light the LED for 10 hours.

Voltage limiting The use of two diodes D7,D8 is an example of battery capacity being traded for simplicity of design/simulation. In the real circuit, rectifier types 1N5408 will be trialled in the future, as these have lower Vf compared with, say, 1N4148 at the same current.

Dark Detect Q2 turns on, sending power to the blocking oscillator point osc, when the voltage at point supply drops below about 3V. Note that connection of USB power at the input will turn off the LED even in darkness. LED turn on/off is soft, unlike many similar circuits where the transition is made sharp by using hysteresis.

Blocking oscillator A very simple oscillator which tolerates a wide variation in supply voltage and component values. The transformer is 20mH which gives a frequency of around 2kHz, which is low for this type of circuit but is unlikely to generate any RFI. When the battery is charged (1.2-1.4V) the voltage at point osc is about 1-1.2V. The real build tolerates these low levels much better than the simulation version (Q3 Ge NKT223 vs Si 2N3906).

I have made a prototype simulation of a Ge transistor https://www.circuitlab.com/circuit/g6kd5f8x6p3c/prototype-model-for-germanium-bjt/ but its complexity would overwhelm what I am trying explore with the controller.

In simulation, Q3 (2N3906) has an HF response which allows it to produce parasitic oscillations which, amongst other effects, make the simulation countdown go backwards!. C2 is to dampen the HF response. The audio based NKT223 does not need C2 in a real build.

Output / LED The LED must have a (low current) forward voltage greater than the voltage at point osc otherwise the oscillator will not start. In both simulated and real versions this is achieved with a "white" LED (actually, blue + yellow phosphor). For the simulation I modified the default red LED by increasing its N parameter to 4 which increases Vf @20mA from 2V to 3V.

The LED is pulsed which, to the human eye, makes it appear bright even when the average current is much lower - one of the Joule Thief's tricks. This efficiency improvement helps to counteract the rather simple ( = wasteful) battery charging control, above.

High brightness LEDs achieve their 1000's of milliCandela partly by the geometry of a very narrow beam. A diffuser is essential for practical use, try eg a ping-pong ball.

REAL CIRCUIT NOTES Built with components to hand.

Q1-Q3 are NKT223, obsolete Ge audio.

D9 is high brightness white led - type MCL034SWC or MP000437.

C2 not used in real build - in simulation slows down 2N3906 to audio.

R6 can be increased to 22k with a Ge transistor.

XFMR1 is SMPS common mode choke.


Comments

No comments yet. Be the first!

Leave a Comment

Please sign in or create an account to comment.

Revision History

Only the circuit's creator can access stored revision history.