Created by
Created April 25, 2013
Last modified April 25, 2013
Tags No tags.

Summary

A way to turn on auxiliary lights only when the vehicle engine is running.

Note that lights may flicker on and off during engine cranking.


Description

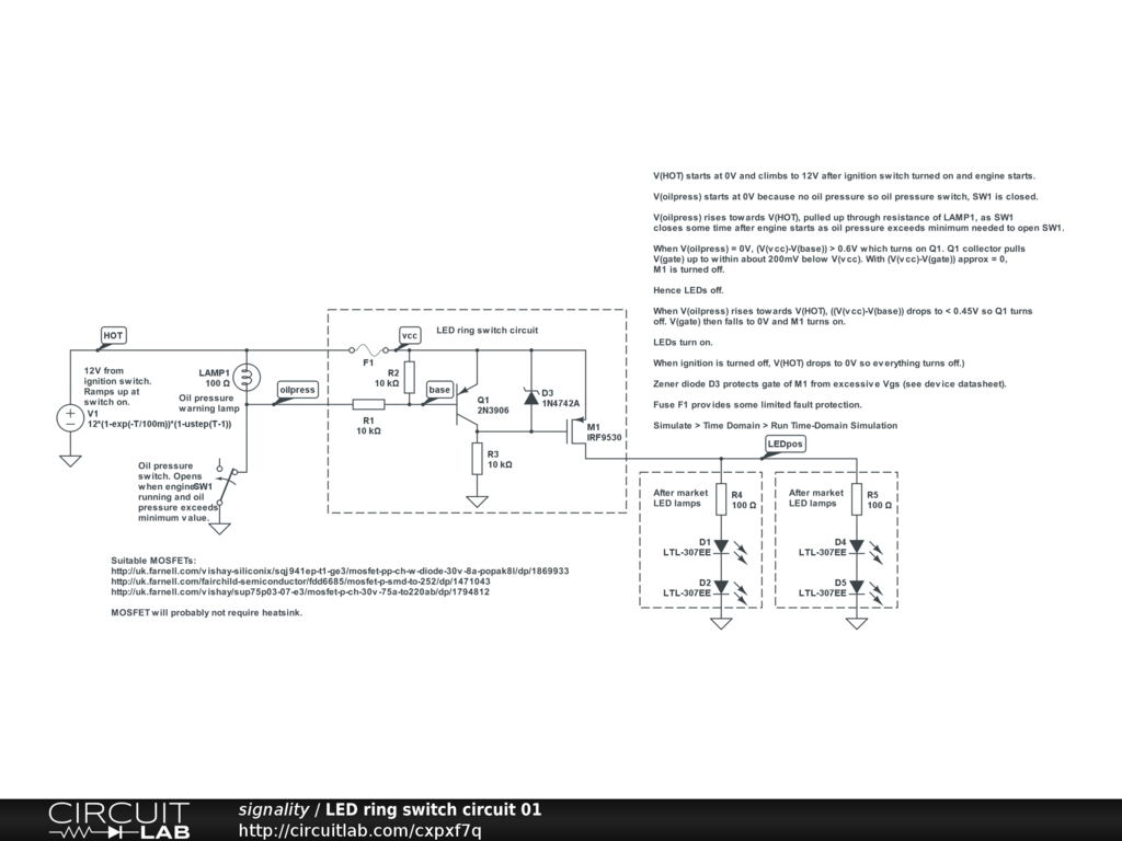
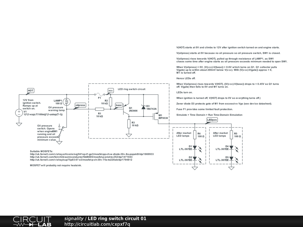
V(HOT) starts at 0V and climbs to 12V after ignition switch turned on and engine starts.

V(oilpress) starts at 0V because no oil pressure so oil pressure switch, SW1 is closed.

V(oilpress) rises towards V(HOT), pulled up through resistance of LAMP1, as SW1 closes some time after engine starts as oil pressure exceeds minimum needed to open SW1.

When V(oilpress) = 0V, (V(vcc)-V(base)) > 0.6V which turns on Q1. Q1 collector pulls V(gate) up to within about 200mV below V(vcc). With (V(vcc)-V(gate)) approx = 0, M1 is turned off.

Hence LEDs off.

When V(oilpress) rises towards V(HOT), ((V(vcc)-V(base)) drops to < 0.45V so Q1 turns off. V(gate) then falls to 0V and M1 turns on.

LEDs turn on.

When ignition is turned off, V(HOT) drops to 0V so everything turns off.)

Zener diode D3 protects gate of M1 from excessive Vgs (see device datasheet).

Fuse F1 provides some limited fault protection.

Simulate > Time Domain > Run Time-Domain Simulation

Suitable MOSFETs: http://uk.farnell.com/vishay-siliconix/sqj941ep-t1-ge3/mosfet-pp-ch-w-diode-30v-8a-popak8l/dp/1869933 http://uk.farnell.com/fairchild-semiconductor/fdd6685/mosfet-p-smd-to-252/dp/1471043 http://uk.farnell.com/vishay/sup75p03-07-e3/mosfet-p-ch-30v-75a-to220ab/dp/1794812

MOSFET will probably not require heatsink.


Comments

No comments yet. Be the first!

Leave a Comment

Please sign in or create an account to comment.

Revision History

Only the circuit's creator can access stored revision history.