Created by
Created March 02, 2012
Last modified January 19, 2014
Tags ac-to-dc   capacitor-dropper   mains  

Summary

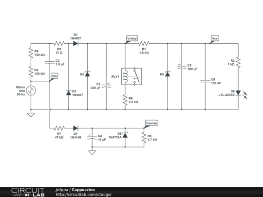
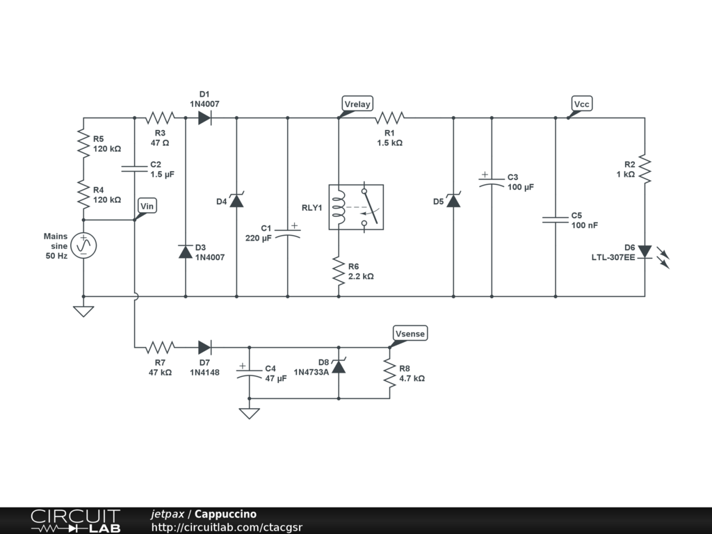
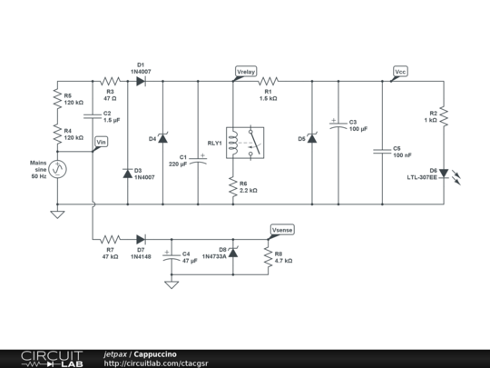
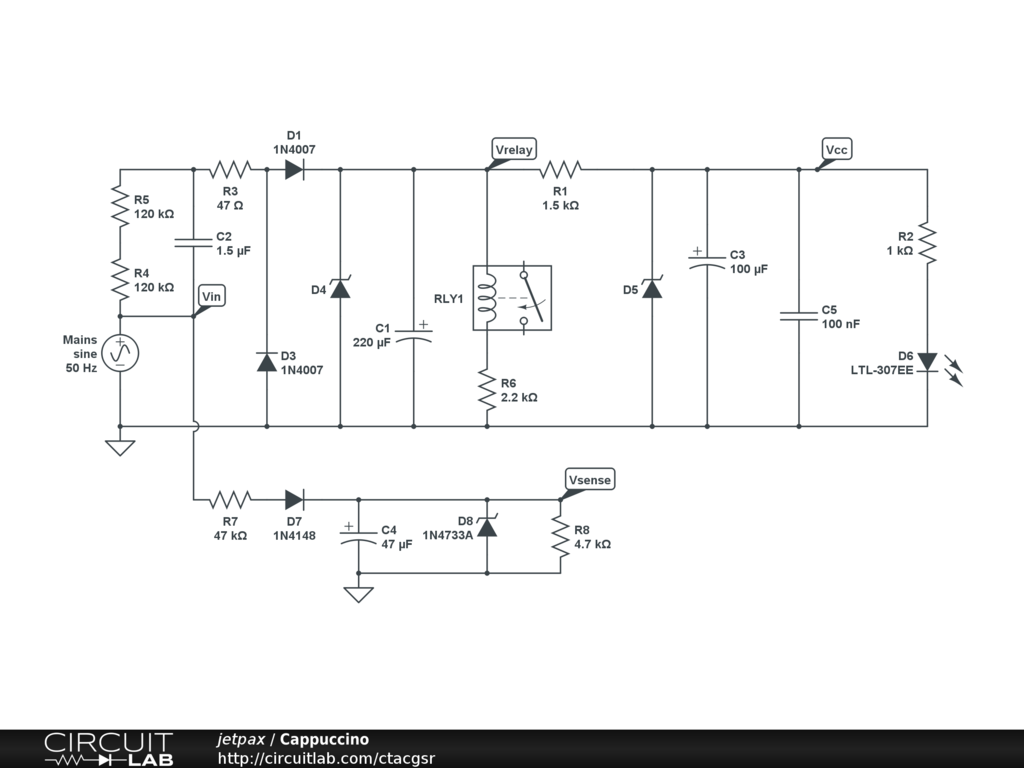
Capacitor mains dropper circuit taken from US Breville 800 coffee machine, to see effect of 240V operation


Description

Not provided.


Comments

No comments yet. Be the first!

Leave a Comment

Please sign in or create an account to comment.

Revision History

Only the circuit's creator can access stored revision history.