Created by
Created May 02, 2013
Last modified May 02, 2013
Tags dune-buggy   sand-rail-wiring   volkswagen   vw  

Summary

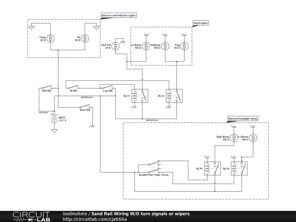
This is a simple wiring diagram I made up for my sand rail. The Fog lights are optional. I have it set up with a Heavy duty toggle switch for the ignition running to a push button start switch.
I wanted full control of my lighting which is why i went with two SPST switches instead of a DPTT switch for the HIGH/LOW beam setup. I included the optional DPTT setup for those that want "High OR low" and not "High AND Low" like me. *NOTE* I could not find any DPTT switches so i used a DPDT switch in the diagram


Description

Not provided.


Comments

No comments yet. Be the first!

Leave a Comment

Please sign in or create an account to comment.

Revision History

Only the circuit's creator can access stored revision history.