Created by
Created May 03, 2013
Last modified May 03, 2013
Tags 7-segment-display   cathode  

Summary

Not provided.


Description

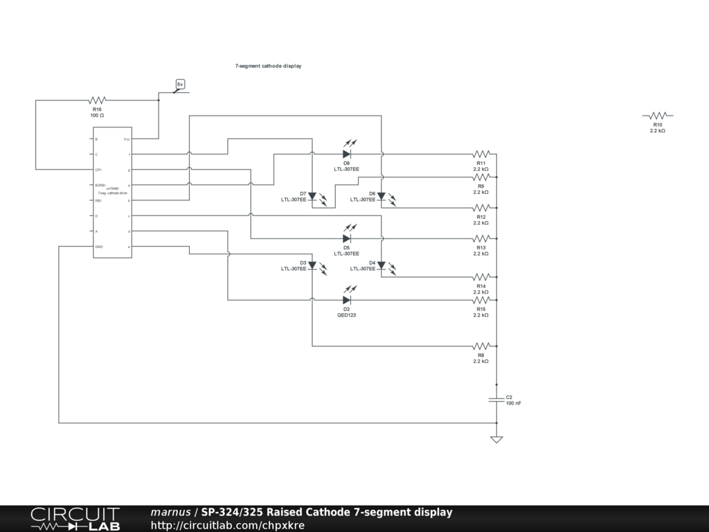
Hi this is a project for work It is for a aircraft simulator, im still bussy with the circuit. I've got a Babcock's SP324 ans SP325 Raised Cathode Planar dislays, that is four and five 7-segment digits...I want to interface this display units with a Opencockpits i/o display board. The circuit is a Type SN75480N High voltage 7-segment decoder/cathode driver IC. And the diodes Represent one 7-segment digit ( cathode ). As i will update my progress i whould like to have some advise about the circuit, To pin-point whether the circuit is correct, couse im new with displays.


Comments

No comments yet. Be the first!

Leave a Comment

Please sign in or create an account to comment.

Revision History

Only the circuit's creator can access stored revision history.