Created by
Created February 21, 2013
Last modified September 19, 2014
Tags No tags.

Summary

Not provided.


Description

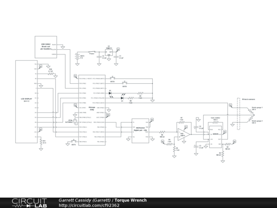
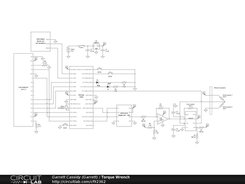
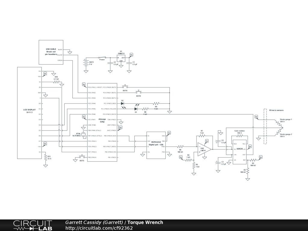
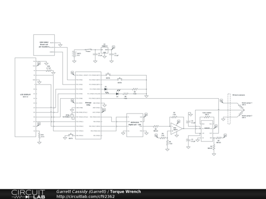
I'm going to try and make a torque wrench out of a breaker bar and some strain gauges. The signal conditioning between the strain gauges needs to take +-110(in-lb) and linearly turn it into 0-5V for the ADC. in realty it will be more like -110(in-lb) is 0.7V and +110(in-lb) is 4.3V because the instrumentation amp might not be rail to rail. it will run on 5V (hopefully the LCD runs on 5V) regulated down from a 9V battery.

The MCU program will have a menu that will allow user to select the item being torqued (e.g. lug nuts on my car) and then make a sound at 80% torque, then stay on when 100% or more. The two buttons will be used to navigate the menu. Menu will let user select the car, then the item. if you mess up just reset by powering off then restarting. In software it would be cool if it would record a max when loosening bolts When starting the MCU will average a bunch of measurements and call the average zero.


Comments

No comments yet. Be the first!

Leave a Comment

Please sign in or create an account to comment.

Revision History

Only the circuit's creator can access stored revision history.