Created by
Created August 23, 2012
Last modified August 25, 2012
Tags No tags.

Summary

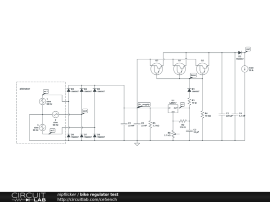
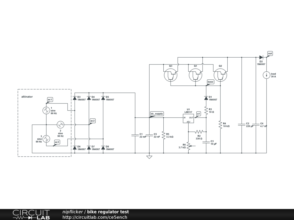
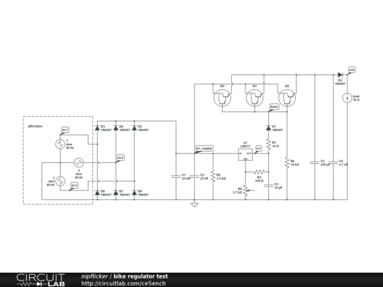
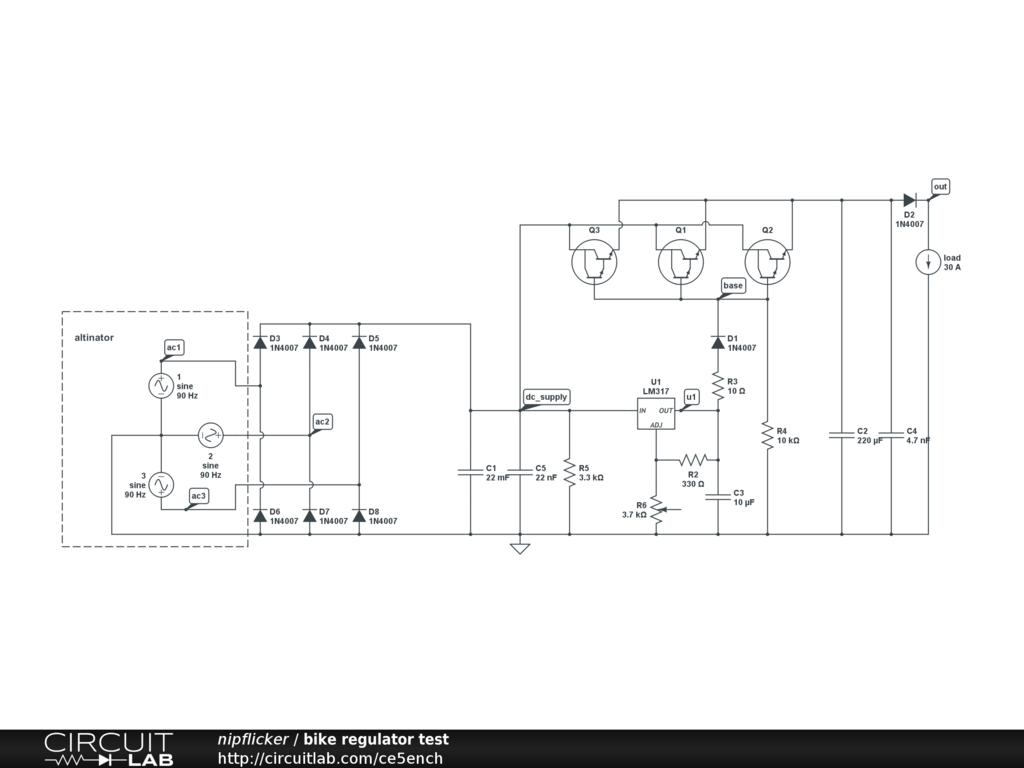
work in progress, diodes and transistor types will be updated with correct part numbers once i have it tested, the diodes I have are monsters! Vmax motorcycle regulator


Description

Not provided.


Comments

You have shorted out the lower rectifiers with the ground net.

See:

Also, you cannot parallel bipolar transistors the way you have shown. You need to have some resistance in series with each emitter.

In practice, regulators for alternators with permanent magnet rotors (most Japanese bikes use this type of alternator) use some form of shunt regulator. Basically something that behaves like a very high power zener diode.

Something along these lines but with a power darlington (or more in parallel):

This is because loading an alternator output with a constant current load (which is what the input to a linear regulator effectively represents) may cause it to reach very high voltages which could easily destroy a series voltage regulator.

You may also be having a problem with CL simulating properly with the Darlington parts. They are not clearly specified in CL the way simple bjts are. My demo shunt regulator takes so long to simulate I have aborted it so I'm not even sure if it works at all. I think this is a model not a circuit problem.

by signality
August 25, 2012

hi yes i played with this idea and also had probs getting it to simulate but i know it works! i had a feed back on another circuit, it did not like it! once removed the circuit worked fine. the idea of conecting the emitters comes from a high amp PSU using tip3055 and works fine?? cheers

by nipflicker
August 26, 2012

Sorry but just because you have made a circuit and it seems to work does not make it correct or good practice.

See:

Thermal mismatch (problem with paralleling transistors)

in:

http://www.allaboutcircuits.com/vol_3/chpt_4/16.html

You can get away with it in MOSFETs but not bjts and especially not Darlingtons.

:)

by signality
August 26, 2012

thanks for that! really informative and not long winded! I will make a few changes and see what happens when i put it into practice, hopfully i wont end up with battery acid expolding all over my privates!

by nipflicker
August 26, 2012

Leave a Comment

Please sign in or create an account to comment.

Revision History

Only the circuit's creator can access stored revision history.