Created by
Created July 01, 2013
Last modified July 10, 2013
Tags No tags.

Summary

Not provided.


Description

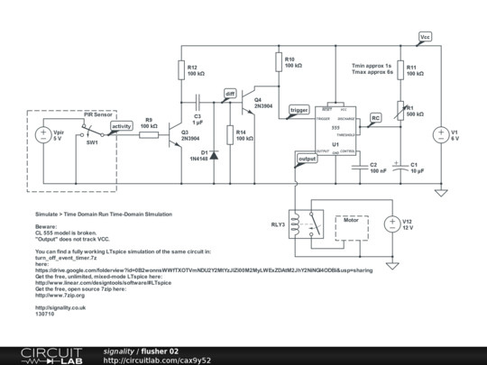
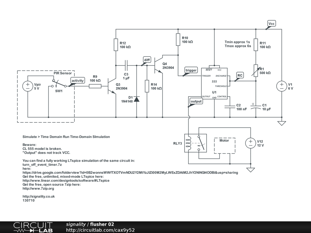
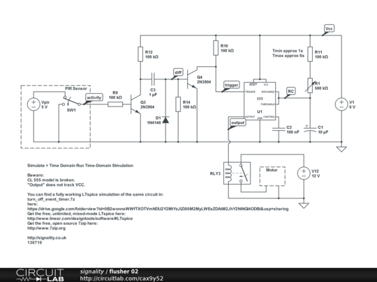
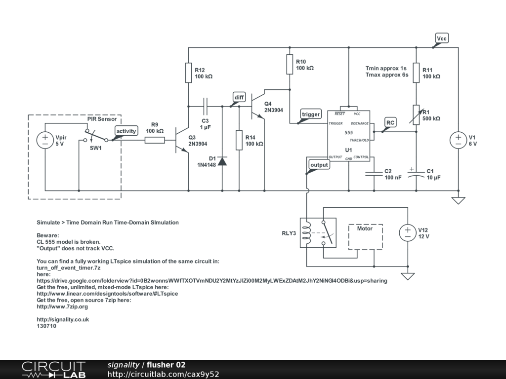
Simulate > Time Domain Run Time-Domain SImulation

Beware: CL 555 model is broken. "Output" does not track VCC.

You can find a fully working LTspice simulation of the same circuit in:

turn_off_event_timer.7z

here:

https://drive.google.com/folderview?id=0B2wonnsWWfTXOTVmNDU2Y2MtYzJlZi00M2MyLWExZDAtM2JhY2NiNGI4ODBi&usp=sharing

Get the free, unlimited, mixed-mode LTspice here:

http://www./designtools/software/#LTspice

Get the free, open source 7zip here:

http://www.7zip.org

http://signality.co.uk 130701


Comments

No comments yet. Be the first!

Leave a Comment

Please sign in or create an account to comment.

Revision History

Only the circuit's creator can access stored revision history.