Created by
Created October 15, 2013
Last modified October 15, 2013
Tags 555   ldr   monostable   photoresistor   schmitt-trigger  

Summary

LDR controller motor drive with turn on delay


Description

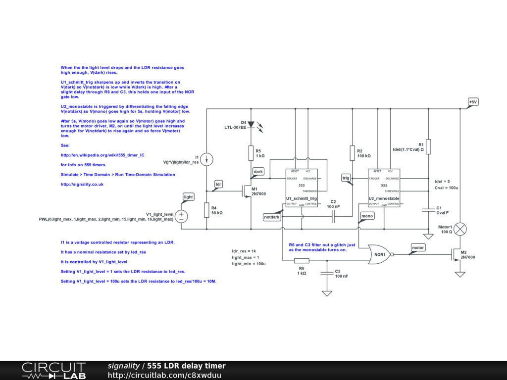
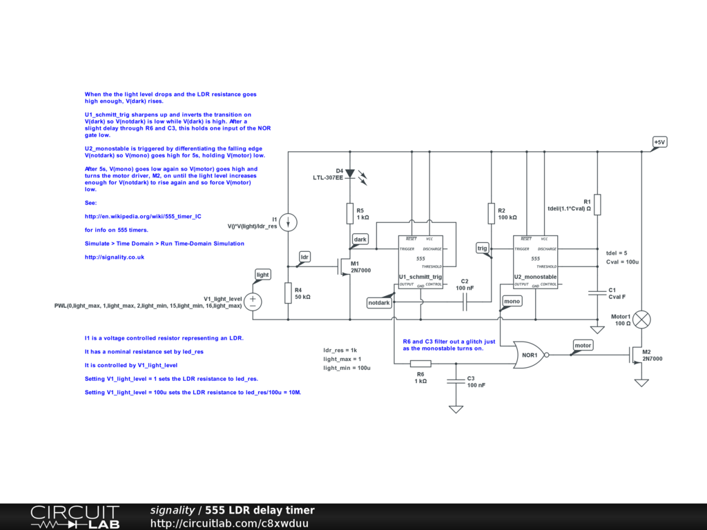
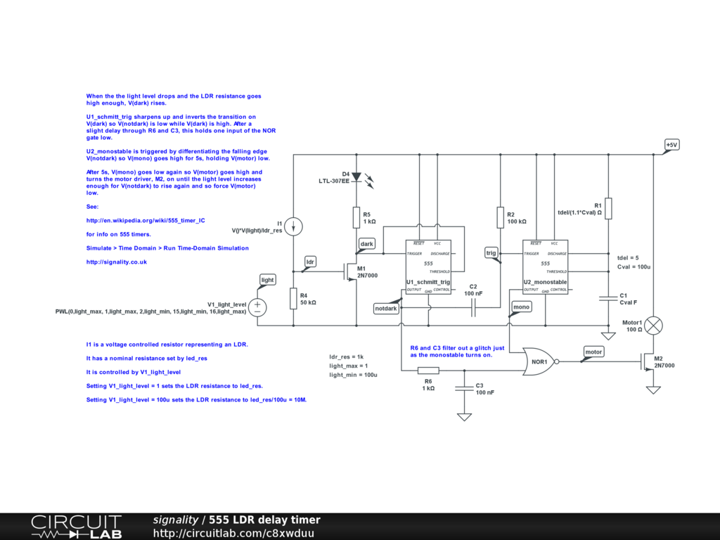
When the the light level drops and the LDR resistance goes high enough, V(dark) rises.

U1_schmitt_trig sharpens up and inverts the transition on V(dark) so V(notdark) is low while V(dark) is high. After a slight delay through R6 and C3, this holds one input of the NOR gate low.

U2_monostable is triggered by differentiating the falling edge V(notdark) so V(mono) goes high for 5s, holding V(motor) low.

After 5s, V(mono) goes low again so V(motor) goes high and turns the motor driver, M2, on until the light level increases enough for V(notdark) to rise again and so force V(motor) low.

See:

http://en.wikipedia.org/wiki/555_timer_IC

for info on 555 timers.

Simulate > Time Domain > Run Time-Domain Simulation

http://signality.co.uk


Comments

No comments yet. Be the first!

Leave a Comment

Please sign in or create an account to comment.

Revision History

Only the circuit's creator can access stored revision history.