Created by
Created February 18, 2013
Last modified February 18, 2013
Tags boost-converter   constant-current   led-driver   switch-mode  

Summary

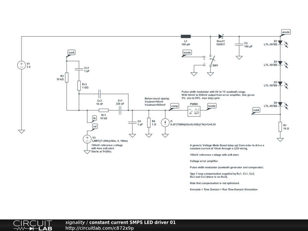
A generic Voltage Mode Boost (step up) Converter to drive a
constant current of 10mA through a LED string.

Simulate > Time Domain > Run Time-Domain Simulation


Description

A generic Voltage Mode Boost (step up) Converter to drive a constant current of 10mA through a LED string.

100mV reference voltage with soft start.

Voltage error amplifier.

Pulse width modulator (sawtooth generator and comparator)

Type 3 loop compensation supplied by Rc1, Cc1, Cc2, Rc3 and Cc3 (there is no Rc2!).

Note that compensation is not optimised.

Simulate > Time Domain > Run Time-Domain Simulation


Comments

No comments yet. Be the first!

Leave a Comment

Please sign in or create an account to comment.

Revision History

Only the circuit's creator can access stored revision history.