Created by
Created July 31, 2020
Last modified July 31, 2020
Tags No tags.

Summary

Supporting information for comment on Question https://www.circuitlab.com/forums/support/topic/6cfxbr2f/aborting-non-finite-value/


Description

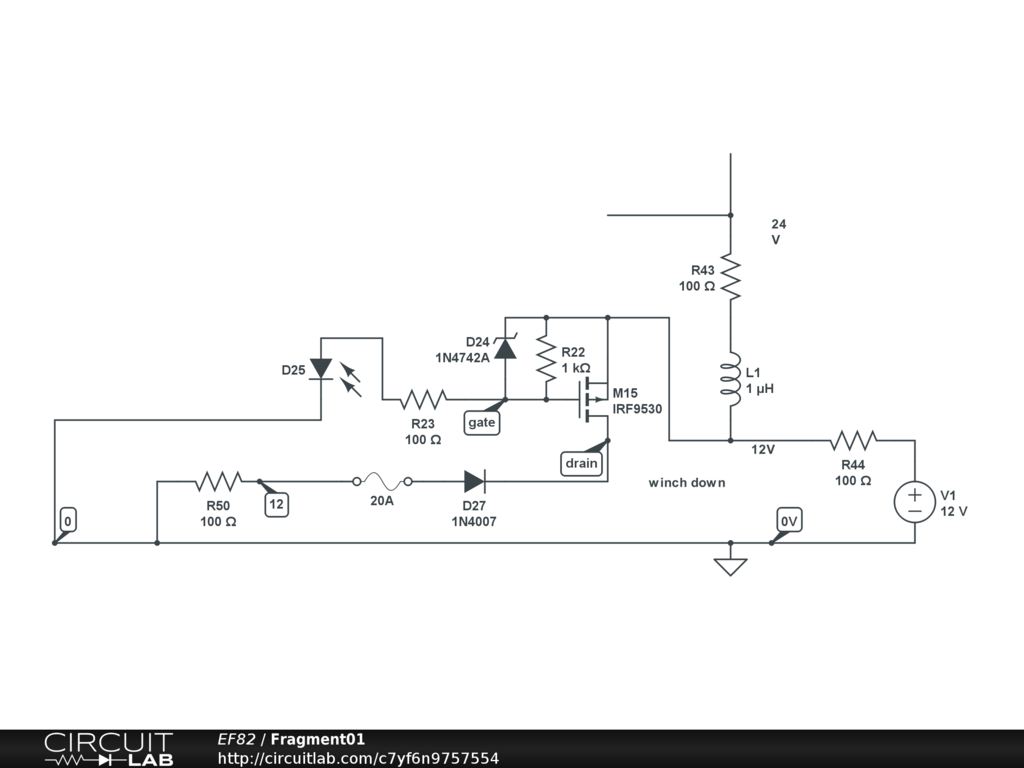
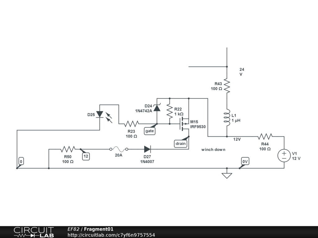
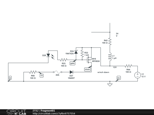
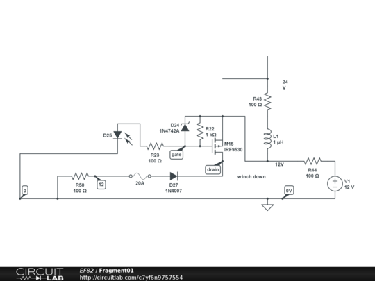
A fragment of circuit from the main circuit in https://www.circuitlab.com/editor/#?id=5t2f9up648wp . I have made the fragment smaller, for ease of viewing, and added some "instrumentation" to monitor gate and drain voltages, plus M15 current (see DC Solver).

This is a standalone (but very important) piece of of the main circuit, for closer examination. Most of the rest of the circuit is attached, directly or indirectly, to "24v". If this fragment doesn't work, nothing else will work either!

DC Solver shows that M15 is off, whereas the component connections suggest that it should be on.

Some hints:

1] look at D25 parameter R_S ;

2] consider the orientation of D27.


Comments

No comments yet. Be the first!

Leave a Comment

Please sign in or create an account to comment.

Revision History

Only the circuit's creator can access stored revision history.