Created by
Created May 02, 2013
Last modified May 02, 2013
Tags dune-buggy   sandrail   volkswagen   vw  

Summary

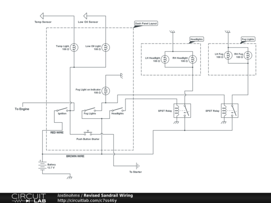
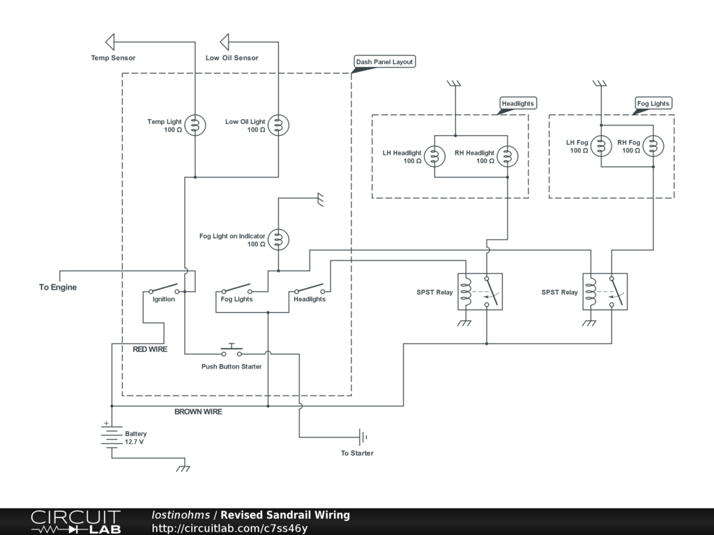
This is the revised schematic for my sand rail after I realized that my Headlights did not have Hi/Lo beams.


Description

Not provided.


Comments

No comments yet. Be the first!

Leave a Comment

Please sign in or create an account to comment.

Revision History

Only the circuit's creator can access stored revision history.