Created by
Created March 12, 2013
Last modified March 12, 2013
Tags No tags.

Summary

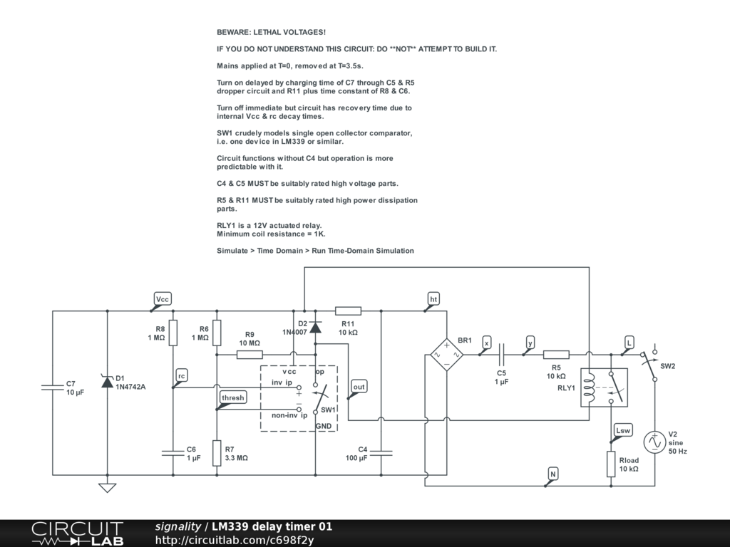
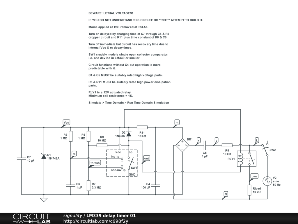
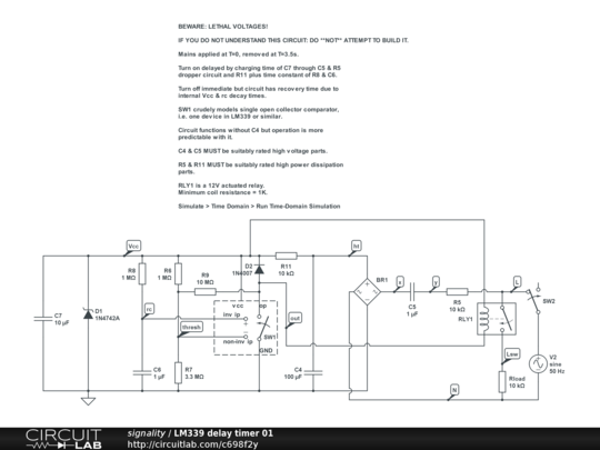
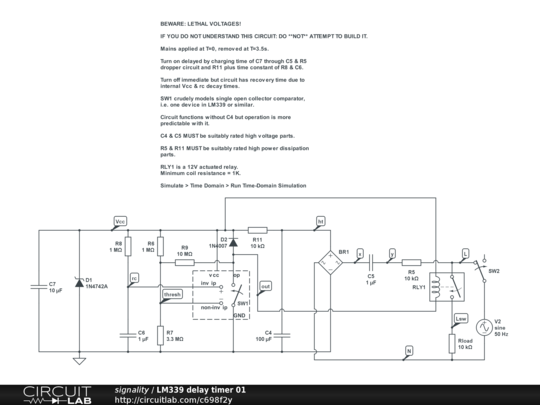
BEWARE: LETHAL VOLTAGES!

IF YOU DO NOT UNDERSTAND THIS CIRCUIT: DO **NOT** ATTEMPT TO BUILD IT.


Description

BEWARE: LETHAL VOLTAGES!

IF YOU DO NOT UNDERSTAND THIS CIRCUIT: DO NOT ATTEMPT TO BUILD IT.

Mains applied at T=0, removed at T=3.5s.

Turn on delayed by charging time of C7 through C5 & R5 dropper circuit and R11 plus time constant of R8 & C6.

Turn off immediate but circuit has recovery time due to internal Vcc & rc decay times.

SW1 crudely models single open collector comparator, i.e. one device in LM339 or similar.

Circuit functions without C4 but operation is more predictable with it.

C4 & C5 MUST be suitably rated high voltage parts.

R5 & R11 MUST be suitably rated high power dissipation parts.

RLY1 is a 12V actuated relay. Minimum coil resistance = 1K.

Simulate > Time Domain > Run Time-Domain Simulation


Comments

No comments yet. Be the first!

Leave a Comment

Please sign in or create an account to comment.

Revision History

Only the circuit's creator can access stored revision history.