Created by
Created February 18, 2014
Last modified February 18, 2014
Tags help   logic  

Summary

A "Battleship" type game that I had to build for lab in class. I need help running the actual simulator since I'm new to this.


Description

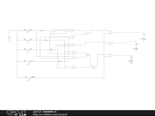
What I'm trying to figure out: How do I configure the circuit to where I can switch the inputs on and off with immediate output results?

A 4x4 grid (not shown) represents the "map". 3 adjacent blocks are used up for my "base". 2 other adjacent blocks represent my "tank", and the rest of the blocks represent a "miss". 3 separate K-maps were used to determine the logic output for each scenario.

First 4 inputs represent a binary # (0-15), with A representing the 8's place holder and D the 1's. The 5th input (switch for "FIRE") is AND'd with the 3 possible outputs (BASE, TANK, and MISS), to simulate "firing" the weapon.

The purpose to even creating this on circuit lab is to check if my schematic would even theoretically work, as well as familiarize myself with circuit lab for future simulation. I'm totally fresh green when it comes to this simulator. How can I simulate turning my inputs on and off and simultaneously view my output? THANKS IN ADVANCE!!


Comments

No comments yet. Be the first!

Leave a Comment

Please sign in or create an account to comment.

Revision History

Only the circuit's creator can access stored revision history.