Created by
Created June 26, 2014
Last modified June 26, 2014
Tags flyback   flyback-converter  

Summary

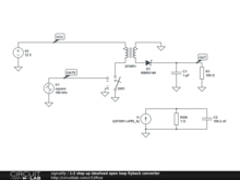
Using the CL transformer to make an idealised 1:2 step up open loop flyback converter.

Plots unfiltered primary current showing simulation artifacts and filtered current showing more realistic currents.


Description

Not provided.


Comments

No comments yet. Be the first!

Leave a Comment

Please sign in or create an account to comment.

Revision History

Only the circuit's creator can access stored revision history.