Created by
Created August 27, 2025
Last modified September 22, 2025
Tags amateur-radio   ft-2980   ground-lift   m-90d   ur6qw   yaesu  

Summary

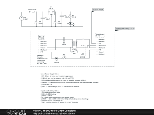
Small circuit to impedance match a Yaesu M-90D microphone to a Yaesu FT-2980. This circuit is inadequate gain, and is intended to be used with a UR6QW Equalizer v 6.0 to ensure adequate gain for proper transmission levels.


Description

The M-90D desk microphone will not directly interface into the FT-2980 radio primarily because of an impedance mismatch. The M-90D is a 600 ohm microphone, while the FT-2980 expects a 2200 ohm load. (Some reference 2000 ohm).

Additonally, the FT-2980 puts out an 8v bias voltage, while the M-90D requires 5v (+/- 10%). To address this, the bias voltage from the FT-2980 is ignored and replaced with 5v using a 78L05 voltage regulator.

The pinouts are included for both the RJ13 on the FT-2980 side, and the RJ45 on the M-90D side. There are very few components, and most of those are there primarily for noise/transient suppression as a precaution. The diode and resistor on the PTT line is another, potentially overkill, precaution.

Both the microphone and the radio are unbalanced wiring. The transformer does have a center tap that possibly could be attached to the center-point ground/ shielding if necessary to eliminate hum or buzz.There is also a provision for a groud lift switch, should a ground loop occur. It will be tested without the ground lift switch, but it may be beneficial for certain operations, such as field use.

There is also inadequate gain in this circuit, which may require the gain on the radio to be turned up excessively which can cause noise and distortion. It is intended to be used after a UR6QW equalizer, which is capable of providing more than sufficient gain for the radio.

It may be that the impedance matching circuit may be developed at a later date to provide a pre-amp to provide sufficient output, but at this time this circuit is designed to work with a UR6QW v6.0 equalizer between the M-90D and the FT-2980. The UR6QW is definitely overkill for a simple FM radio (given the bandwidth constraints) but the UR6QW (when not in use) can be plugged directly into an HF radio such as the FT-710 or FT-891.


Comments

No comments yet. Be the first!

Leave a Comment

Please sign in or create an account to comment.

Revision History

Only the circuit's creator can access stored revision history.