Created by
Created November 30, 2012
Last modified December 02, 2012
Tags behavioral-source   constant-current-source   lm317   newbie   test  

Summary

LM317 used as current stabilizer in a test environment to find settings and limits.


Description

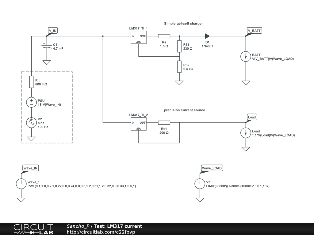
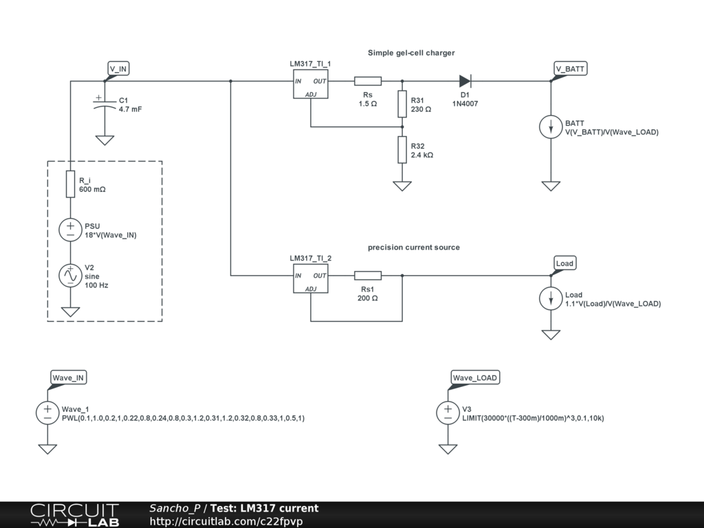
The LM 317 can also be used as a current limiter or constant current supply. This simulation uses modified parameters instead of CL’s default LM317 parameters. Because there are "typical", "MIN" and "MAX" values in data sheets it may depend what to use to design a real circuit.

(For parameter discussion see: https://www.circuitlab.com/circuit/jzwhf4/test-lm-317-voltage-regulator/ )

Here the “Time Domain Simulation” is used to give a “realistic” view like an oscilloscope.

The circuit is powered by a simulated power supply with some flickering and noise.

“Behavioral” voltage and current sources are used to generate waveforms at power supply and load.

By varying the values of supply (R_i ! ), setting resistors or load the application limits can easily be visualized (3V drop out voltage, 5mA minimum load current, see data sheet).

  • This basic circuits may not have sufficient protection for your environment !!!

The first LM317 is used as a simple “battery charger” for 12 V gel-cell batteries, a combined “current limiter” and “voltage regulator” application. The battery “load” varies in resistance to see voltage and current. The diode is to protect the IC when the battery is connected but power supply is down (reverse voltage protection for the IC). This simple charger is often used with motorcycles.

  • The voltage divider can be used as (part of) the minimum load (in my example it is just a bit below 5mA … ! ).

  • This primitive “load” simulation does not really represent a battery (e.g. reverse voltage).

The second IC acts as a “precision current source”. Of course the load current must be higher than the minimal required current (at least 5 mA, depends on type and manufacturer) to supply the IC’s internals.

Also the drop out voltage has to be taken into account in case the load resistance increases too much.

In simulation (F5) make sure to scroll down to see the third graph with the load resistance (to have a difference in the plot the precision current load is multiplied by 1.1, resulting in a lower resistance).

Time Domain Simulation:

In the first graph you see the power supply and the “battery charger”. The load is starting at 0.1 Ohm (short circuit) with current limit for the IC and diode (< 1A).

The drawback of this simple charger is the decreasing current at higher (normal) battery voltage so the the loading takes ages. However, the LM317 also makes sure the gel-cell doesn’t get more than 13.8V which is very important for a long battery life. Check out how close we are to the input voltage (noise) !

The second graph shows the “precision current source”, at the beginning with a load resistance of about 0.1 Ohm. The flickering at the power supply doesn’t matter because of the low output voltage. When the load finally reaches 2k we are below the drop out voltage so the noise from the Power supply gets through.

Make sure to scroll down to the third plot, giving the readings for the load “resistance” in Ohm by dividing U/I at the simulated load.

  • Here we see how nice it would be to have some ruler / crosshair to set in CL's plot …

Comments

No comments yet. Be the first!

Leave a Comment

Please sign in or create an account to comment.

Revision History

Only the circuit's creator can access stored revision history.