Now showing circuits 1-2 of 2. Sort by
|
|
brake lights switch PUBLICby radicalis | updated August 16, 2012 |
|
|
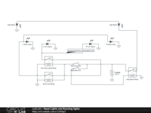
Head Lights and Running lights PUBLICby radicalis | updated August 15, 2012 |