Username insomniac
Member Since January 7, 2013

insomniac's Public Circuits:

Now showing circuits 1-1 of 1. Sort by

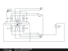
Realaycircuit h Bridge

Realaycircuit h Bridge PUBLIC

by insomniac | updated January 07, 2013