capacitors in series

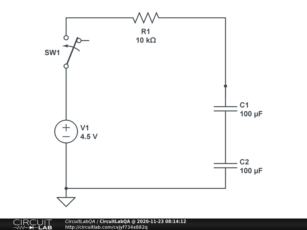
So I have the following circuit with two capacitors and a resistor in series. Shouldn't the sum of the voltage drops be equal to the voltage of the battery? Am I doing the time domain simulation wrong? I am new to this and see that the voltage on the first capacitor reaches 4.5 volts but the second one only reaches half of the value. why is this?

by dan001
November 23, 2020

1 Answer

Answer by jaf2009

Your simulation does seem to be operating correctly. Voltages in the sim are relative to ground. The voltage for C2 is the voltage across C2 alone - 2.25v. However, the voltage for C1 is also relative to ground, thus it equals the voltage across C1 and C2 together - 2.25+2.25=4.5v. To see this, you can run my mod to your circuit with C1's voltage explicitly being measured. I used a negative expression for C1 to give a nice clean view. Otherwise, C1's would show up on top of C2's.
You see this in the second window for currents - they overlap. In that window if you click on the tab for I(C2) in the upper right, the tab will show a line through it, taking it off the graph, voila, I(C1) appears in blue.

https://www.circuitlab.com/circuit/u3948saww9ph/seriescaps/

It is helpful to view caps in series as voltages dividers, and the voltages across each will be calculated the same as two resistors using each caps' impedance. So, for 2 caps of equal value as you have, the 4.5volts should be divided equally.

High power amplifier tubes in radio frequency amplifier circuits use voltages of 1000+ volts to produce the 1500W limit hams are allowed by license. We were always cautioned to recognize that while resistors could be +/-1 or 5%, caps were often +/- 20%, especially electrolytics. Thus to minimize the chance that you get a very unequal voltage division, we always included a high value resistor in parallel to each cap. the resistors "forced" the correct voltage division given the variability in value of the caps.

+1 vote
by jaf2009
November 23, 2020

Your Answer

You must log in or create an account (free!) to answer a question.

Log in Create an account


Go Ad-Free. Activate your CircuitLab membership. No more ads. Save unlimited circuits. Run unlimited simulations.

Search Questions & Answers


Ask a Question

Anyone can ask a question.

Did you already search (see above) to see if a similar question has already been answered? If you can't find the answer, you may ask a question.


About This Site

CircuitLab's Q&A site is a FREE questions and answers forum for electronics and electrical engineering students, hobbyists, and professionals.

We encourage you to use our built-in schematic & simulation software to add more detail to your questions and answers.

Acceptable Questions:

  • Concept or theory questions
  • Practical engineering questions
  • “Homework” questions
  • Software/hardware intersection
  • Best practices
  • Design choices & component selection
  • Troubleshooting

Unacceptable Questions:

  • Non-English language content
  • Non-question discussion
  • Non-electronics questions
  • Vendor-specific topics
  • Pure software questions
  • CircuitLab software support

Please respect that there are both seasoned experts and total newbies here: please be nice, be constructive, and be specific!

About CircuitLab

CircuitLab is an in-browser schematic capture and circuit simulation software tool to help you rapidly design and analyze analog and digital electronics systems.