Created by
Created June 15, 2015
Last modified June 15, 2015
Tags cesr-300a-x-ductor   transductor  

Summary

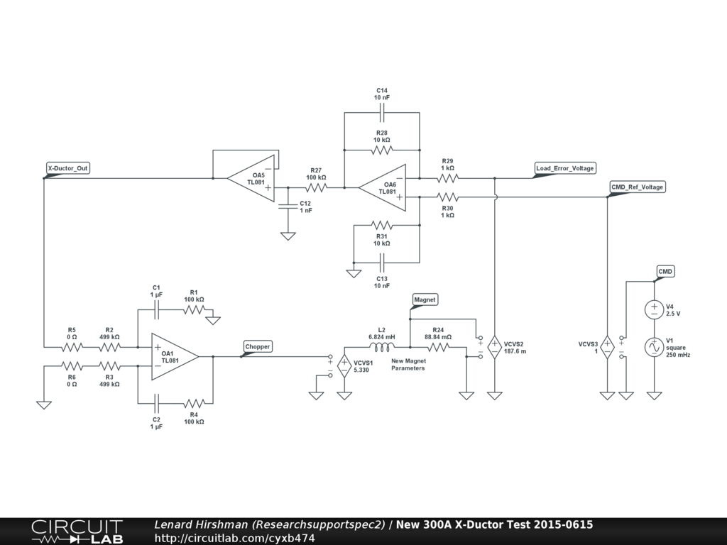
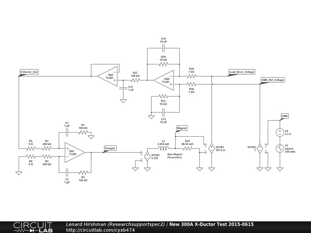
New 300Amp Transductor Simulation


Description

Simulation of new 300A X-Ductor with 300A chopper using old quad as load. Load is 6.824mH; .08884Ohms.


Comments

No comments yet. Be the first!

Leave a Comment

Please sign in or create an account to comment.

Revision History

Only the circuit's creator can access stored revision history.