Created by
Created July 19, 2025
Last modified April 05, 2026
Tags fuzz-circuit  

Summary

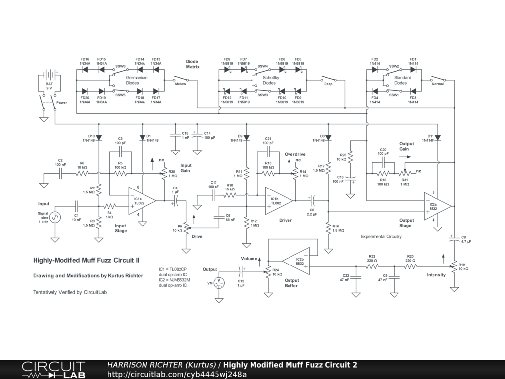
Highly Modified Electro-Harmonix "Muff Fuzz" Circuit with Soft-Clipping 3-Voice Separately Enabled Diode Fuzz Arrays


Description

Highly modified Electro-Harmonix "Muff Fuzz" pedal circuit. Uses two dual op-amps and twelve diodes of different types; standard, Schottky, and germanium. Controls Include: Input Gain, Drive, Overdrive, Fuzz enable switches (Normal from standard diodes, Deep from Schottky diodes, and Mellow from germanium diodes), Fuzz symmetry switches (six, with 2 positions each), Output Gain, Intensity, and Volume. There are no tone controls. Range > 0 dBV is from < 20 Hz to > 20 kHz, with emphasis on the natural notes of a 6-string guitar plus 3 octaves above highest note (82 Hz to 10 kHz). With no fuzz enabled, the circuit can be used as an extreme-gain overdrive. However, the op-amps can be overdriven to get solid-state distortion in addition to diode fuzz. Maximum gain = +50.5 dBV (Vo/Vi = 335) @ 400 Hz with all controls at 50%, or +61 dBV (Vo/Vi = 1122) with the Gain and Overdrive controls at 100% but all other controls at 50%, while even more extreme gain is available by also using the Drive, Intensity, and Volume controls; up to +81.4 dBV (Vo/Vi = 11,749) @ 1 kHz. However, do not set all controls at 100% except as a brief worst-case test during breadboarding. The circuit is suitable for stomp-box or rack-mount applications, and is recommended only for 6-string guitar in standard tuning. The battery can be replaced by a regulated single-polarity +9V DC power-supply providing >= 30 mA of current. Though verified, treat the circuit as experimental. Breadboard test before committing to a soldered build.


Comments

No comments yet. Be the first!

Leave a Comment

Please sign in or create an account to comment.

Revision History

Only the circuit's creator can access stored revision history.