Created by
Created July 11, 2014
Last modified July 25, 2014
Tags No tags.

Summary

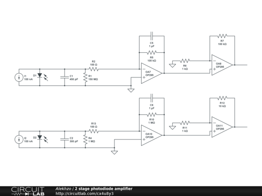
Two stage amplifier/trans impedance circuit for dual sandwich detector (InGaAs (bottom)+Si (top))


Description

Not provided.


Comments

No comments yet. Be the first!

Leave a Comment

Please sign in or create an account to comment.

Revision History

Only the circuit's creator can access stored revision history.