Created by
Created December 29, 2025
Last modified December 30, 2025
Tags bass-fuzz  

Summary

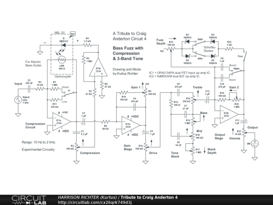
Bass Fuzz with Compression and 3-Band Tone


Description

Bass fuzz circuit using soft-clipping Schottky diodes together with compression and a 3-band Fender-style tone-stack. All subcircuits except the tone-stack are based on separate designs by Craig Anderton. For least noise, input signal should be direct from a passive bass-guitar. Controls Include: Input type switch (Direct or Line), Compression, Gain 1, Drive, Bass, Mid, Treble, Stack Depth, Fuzz enable switch, Fuzz symmetry switches (two, with two settings each), Fuzz Depth, Highs switch (Normal or Boost), Gain 2, Volume. Range at or above 0 dBV is from 8 Hz to 1.8 kHz. Suitable for 4/5/6-string bass or 8-string guitar with all controls at 50%. Note: High-end reach extends with increasing control settings > 50%. Example: Maximum gain = +68.4 dBV @ 160 Hz with all controls at 100%, at which bandwidth above 0 dBV is from 4 Hz to 16 kHz. [Caution! Do not set all controls at 100% except briefly as a worst-case scenario during breadboard testing.] Normally, maximum gain = +35 dBV @ 100 Hz with all controls at 50%. Cleanest sound will be obtained with most controls set <= 50%. Power-supply not shown. Requires a regulated dual-polarity DC supply providing +-9VDC or +-12VDC or +-15VDC or +-18VDC at >= 40 mA of current. Note: Higher supply voltages result in less noise, but do not exceed +-18VDC. And while based on proven designs, and simulator verified, treat the circuit as experimental in nature. Breadboard test before soldering.


Comments

No comments yet. Be the first!

Leave a Comment

Please sign in or create an account to comment.

Revision History

Only the circuit's creator can access stored revision history.