Created by
Created September 27, 2013
Last modified September 29, 2013
Tags No tags.

Summary

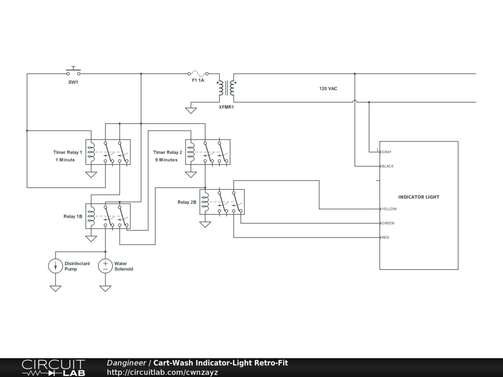
The Timer-Relays, and secondary relays were already in the circuit, But I needed a way to provide visual feedback to the operator to indicate when ten-minutes had elapsed. (the contact time for the disinfectant is ten-minutes)


Description

Not provided.


Comments

No comments yet. Be the first!

Leave a Comment

Please sign in or create an account to comment.

Revision History

Only the circuit's creator can access stored revision history.