Created by
Created May 13, 2013
Last modified May 14, 2013
Tags No tags.

Summary

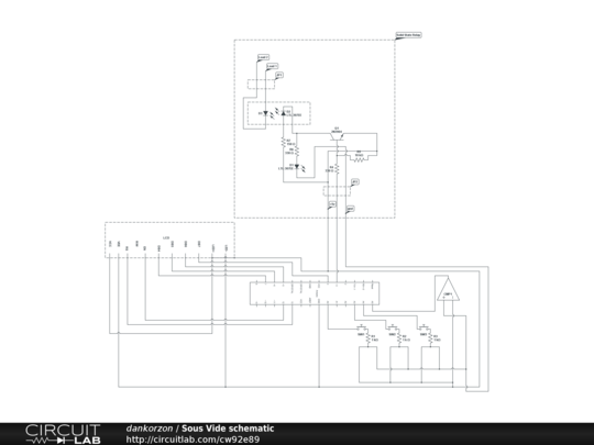
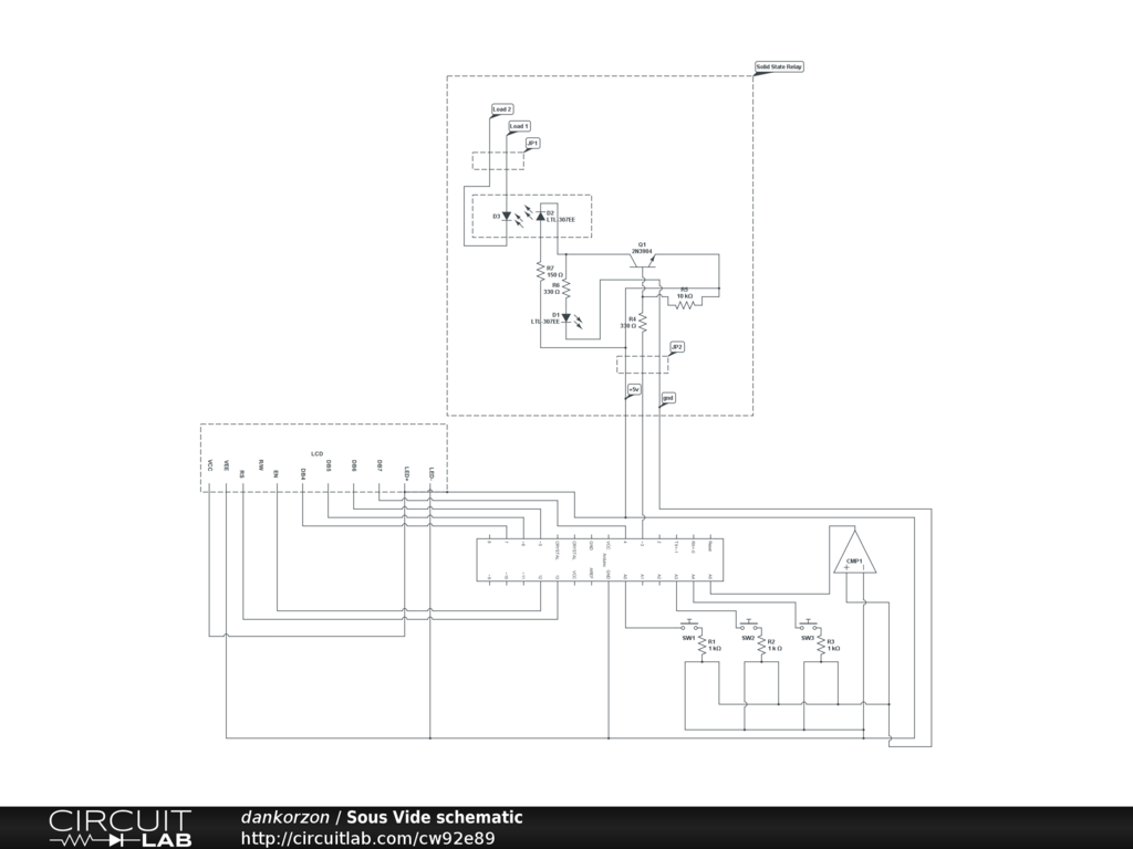
Using Arduino, 3 push button switches, a TMP36 temperature sensor, a 16x2 LCD display, and a solid state relay this is a cheap, accurate and powerful sous vide cooker


Description

Not provided.


Comments

No comments yet. Be the first!

Leave a Comment

Please sign in or create an account to comment.

Revision History

Only the circuit's creator can access stored revision history.