| Created by | |
| Created | October 02, 2012 |
| Last modified | October 16, 2012 |
| Tags | beginners cell-phone-detector electronic-hobby-circuit hobby-electronics lm358 op-amp |
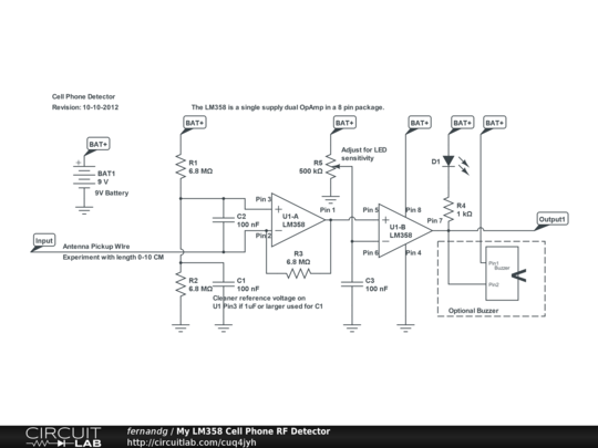
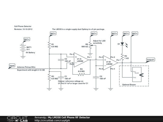
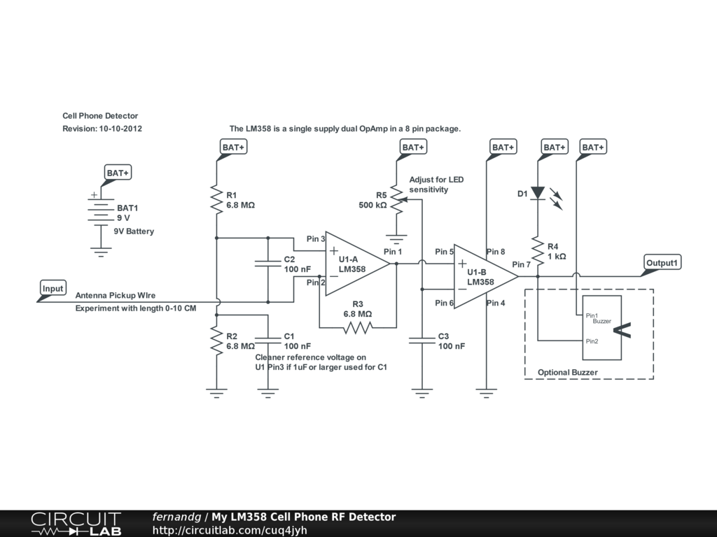
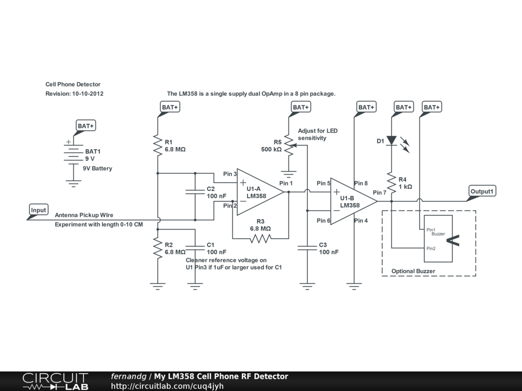
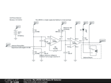
Cell Phone RF Signal Detector-Sniffer. Easy fun circuit for beginners & hobbyist. More info at http://www.seattleu.edu/scieng/ece/CellPhoneSignalDetector.html
More information at http://www.seattleu.edu/scieng/ece/CellPhoneSignalDetector.html
|
@fernandg Looks like a nice, simple circuit that gets the job done! I'd like to use it to detect wifi signals (2.4 & 5 GHz). Is there anything "tuned" about the front-end (C1, C2, R1, R2) that I'd have to change? Could I feed it with a tuned (high-gain) antenna for maximum directional capability? I'm trying to emulate the front-end portion of this circuit: http://www.yoshiakai.com/2008/Wireless%20Catcher%2001.html Thanks for a nice circuit. -Scott |
by swood
January 17, 2013 |
|
It is not a tuned circuit. The first Op Amp acts as a comparator. Any difference between + - pins is reflected on the output. Keep in mind this circuit uses an inexpensive part, the LM358 which operates at up to 1MHz. 1 Megahertz is fine because we are not trying to respond to the high frequency, this is an inexpensive circuit and we are only trying to respond to the radiated energy no matter what frequency. The circuited worked well detecting the U.S. cell phone network T-Mobile which operates at 800MHz - 1.7 GHz. The circuit is not tested with higher frequencies but we did notice that cell phone 4G networks are harder to detect probably due to their greater compressed data (less data to transmit = less energy(airwaves)) Good luck. |
by fernandg
January 17, 2013 |
|
Pls, could you give a good design description and circuit analysis of your work...as I am working on something similar as my project. |
by demskee
July 12, 2013 |
|
@fernandg: sir, i'd like to use this circuitry for my project. can you please show or send me (e-mail) of how the values of components (i.e. resistors, capacitors)are obtained. thank you... ->mora |
by marisan
July 12, 2013 |
|
With respect to what Mora just posted..I'd love to receive a copy of the Mail too...as it would be very needed.. Thank you Sir -ยป Demola |
by demskee
July 12, 2013 |
|
MORE INFORMATION = http://www.seattleu.edu/scieng/ece/CellPhoneSignalDetector.html DETAIL INFORMATION = http://www.seattleu.edu/scieng/ece/CellPhoneSignalDetector.html PURCHASING INFORMATION: http://www.seattleu.edu/scieng/ece/CellPhoneSignalDetector.html |
by fernandg
July 12, 2013 |
|
Sir, I employ you give clarity to the circuit design..I'd like to know if the anttena serves the purpose of an inductor to receive the signal..if it does, then what part of the circuit demodulates the signal before it is being amplified by the op-amp LM358 ic...Sir I need a coincise detail about the circuit design nd operational description....THanKs Sir.........Demola |
by demskee
July 12, 2013 |
Please sign in or create an account to comment.
Only the circuit's creator can access stored revision history.