Created by
Created March 17, 2013
Last modified March 22, 2013
Tags common-mode-protection   smps   usb-charger  

Summary

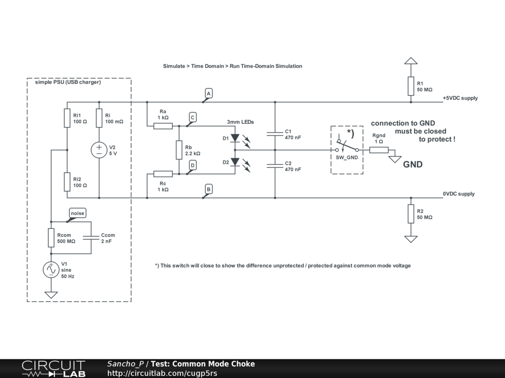
The sim shows a 5VDC supply and a common mode protection to hold the DC circuit close to GND, but deliberately not fully grounded, monitored by two 3mm LEDs. This solution may not be sufficient to fulfill legal requirements.


Description

My simple DC supply (SMPS, USB charger) from 230VAC to 5VDC shows heavy common mode noise in respect to ground. The main component is 50Hz. As the DC wiring of my application extends to some feet length the whole circuit must be grounded / monitored to prevent it from reaching dangerous voltages (personal, wiring and component protection).

This circuit also protects from interference with mobile phones, but it’s difficult to say in what extent ....

The switch connects to GND to show the difference between unprotected / protected common mode voltage.


Comments

No comments yet. Be the first!

Leave a Comment

Please sign in or create an account to comment.

Revision History

Only the circuit's creator can access stored revision history.